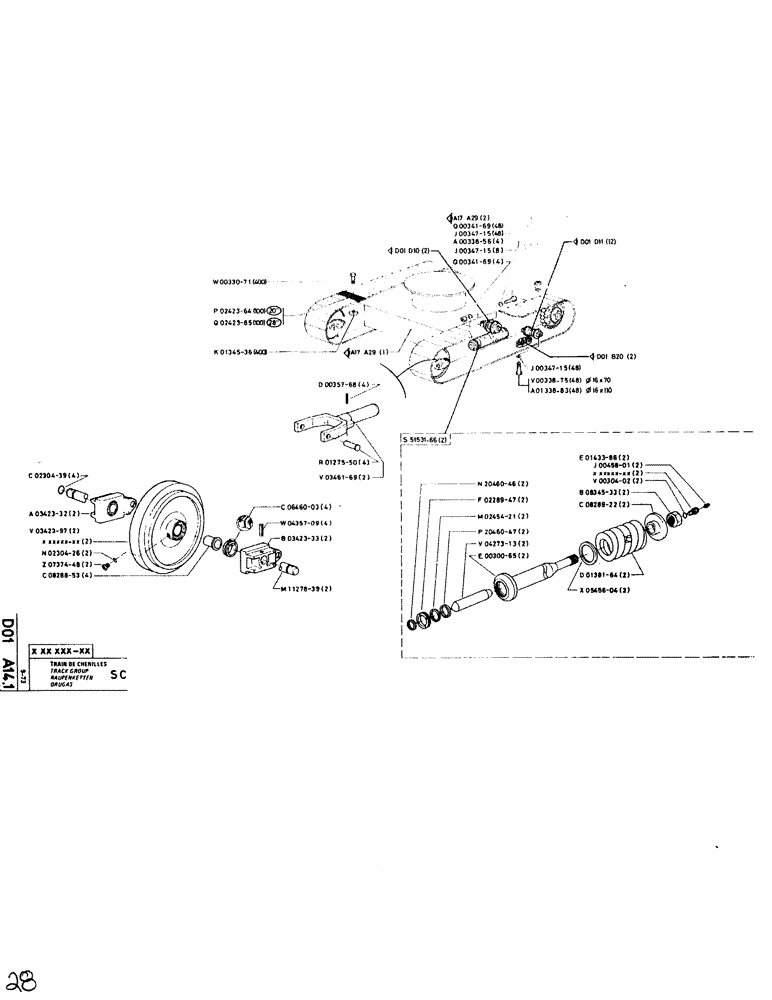
Запчасти Case SC150 (028) - TRACK GROUP SC

Схема запчастей Case SC150 - (028) - TRACK GROUP SC
FIT
1:1
100%

Артикул

Название

Примечание

Количество

P230439

O-RING

3.53 x 68

4шт.

P342332

SLIPPER

2шт.

P342397

FLEETING PULLEY

2шт.

P230426

O-RING

1.5 x 12

2шт.

P737448

PLUG

M12 x 1.5

2шт.

P828853

BEARING LINER

4шт.

P33071

SCREW

400шт.

P242364

TRACK SHOE

PAD

100шт.

P242365

100шт.

P134536

NUT

400шт.

P17A29

1шт.

P35768

SPLIT PIN/SAFETY PIN

SPLIT PIN/SAFEY, 10 x 90

4шт.

P127550

PIN

4шт.

P346169

2шт.

P646003

GASKET KIT

SET OF JOINTS

4шт.

P435709

SPLIT PIN/SAFETY PIN

SPLIT PIN/SAFET, 16 x 100

4шт.

P342333

SLIPPER

2шт.

P1127839

LARGE PIN

2шт.

P1D10

2шт.

P17A29

2шт.

P34169

NUT

48шт.

P1D11

12шт.

P1B20

2шт.

P34715

WASHER, LOCK

WASHER

48шт.

P33856

SCREW

/BOLT, M16 x 120

4шт.

P34715

WASHER, LOCK

WASHER

8шт.

P34715

WASHER, LOCK

WASHER

48шт.

P33875

SCREW

/BOLT, M16 x 70

48шт.

P133883

SCREW

/BOLT, M16 x 110

48шт.

P5153166

2шт.

P2046046

WIPER SEAL

SEAL, 75 x 85

2шт.

P228947

2шт.

P245421

2шт.

P2046047

GASKET

2шт.

P427313

2шт.

P30065

2шт.

P143386

VALVE POPPET

VALVE

2шт.

P34715

WASHER, LOCK

WASHER

48шт.

P33875

SCREW

/BOLT, M16 x 70

48шт.

P834533

2шт.

P545604

2шт.

Выбрано товаров: 41