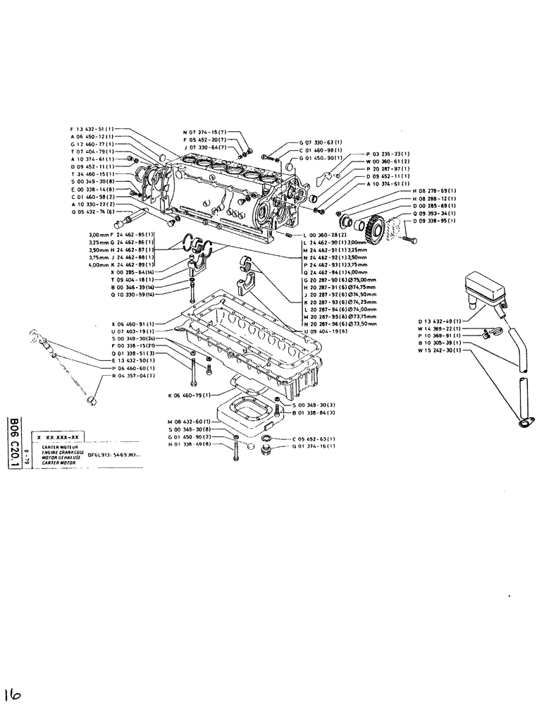
Запчасти Case SC150L (016) - ENGINE CRANKCASE

Схема запчастей Case SC150L - (016) - ENGINE CRANKCASE
FIT
1:1
100%

Артикул

Название

Примечание

Количество

P1343251

1шт.

P645012

DEUTZ PART

BUTTON

1шт.

P1246077

DEUTZ PART

SEAL

1шт.

P740479

DEUTZ PART

COVER PLATE

1шт.

P1037461

DEUTZ PART

PLUG

1шт.

P945211

DEUTZ PART

COPPER SEAL

1шт.

P3446015

DEUTZ PART

SEAL RING

1шт.

P34930

DEUTZ PART

SPRING WASHER

8шт.

120104

BOLT,Hex, M8 x 1.25 x 20mm, Cl 8.8

BOLT, Hex, M8 x 20, 8.8

8шт.

P146098

WASHER, SEALING

SEAL WASHER, 10.3 x 13.4 x 1

2шт.

P1033022

BOLT

SCREW/BOLT

2шт.

P543274

NOZZLE

6шт.

P2446285

DEUTZ PART

STOP

1шт.

P2446286

DEUTZ PART

STOP

1шт.

P2446287

1шт.

P2446288

1шт.

P2446289

1шт.

P28564

DEUTZ PART

BUSHING

14шт.

P940418

DEUTZ PART

COVER

1шт.

P34639

WASHER

14шт.

P1033059

BOLT

SCREW/BOLT, 14 x 120

14шт.

P646091

DEUTZ PART

SEAL

1шт.

P740319

DEUTZ PART

HOUSING

1шт.

P34930

DEUTZ PART

SPRING WASHER

24шт.

43127

BOLT,Hex, M8 x 1.25 x 25mm, Cl 8.8

BOLT, Hex, M8 x 25, 8.8

21шт.

P133851

SCREW

/BOLT, M8 x 110

3шт.

P1343250

1шт.

P646060

GASKET

1шт.

P435704

1шт.

P737415

DEUTZ PART

PLUG, M12 x 1.5

7шт.

P545220

DEUTZ PART

COPPER SEAL

7шт.

P733064

BOLT

SCREW/BOLT

7шт.

P646079

DEUTZ PART

SEAL

1шт.

P843260

DEUTZ PART

BOWL

1шт.

P34930

DEUTZ PART

SPRING WASHER

8шт.

P145090

DEUTZ PART

BOSS

2шт.

P133849

SCREW

/BOLT, M8 x 80

8шт.

P733062

BOLT

SCREW/BOLT

1шт.

P146098

WASHER, SEALING

SEAL WASHER, 10.3 x 13.4 x 1

1шт.

P145090

DEUTZ PART

BOSS

1шт.

P323623

LARGE PLATE

PLATE

1шт.

P36061

DEUTZ PART

SPLIT PIN/SAFET, 6 x 10

2шт.

P2028797

BUSHING

1шт.

P945211

DEUTZ PART

COPPER SEAL

1шт.

P1037461

DEUTZ PART

PLUG

1шт.

P827868

1шт.

P828812

DEUTZ PART

SUPPORT

1шт.

P28569

DEUTZ PART

BUSHING

1шт.

P939334

DEUTZ PART

PINION

1шт.

P933895

SCREW

/BOLT, M10 x 60 x 26

1шт.

P36028

DEUTZ PART

SPLIT PIN/SAFET

2шт.

P2446290

DEUTZ PART

STOP

1шт.

P2446291

DEUTZ PART

STOP

1шт.

P2446292

1шт.

P2446293

STOP

1шт.

P2446294

1шт.

P2028790

DEUTZ PART

BUSH

6шт.

P2028791

DEUTZ PART

BUSH

6шт.

P2028792

6шт.

P2028793

DEUTZ PART

6шт.

P2028794

6шт.

P2028795

6шт.

P2028796

6шт.

P940419

DEUTZ PART

COVER

6шт.

P34930

DEUTZ PART

SPRING WASHER

3шт.

P133884

SCREW

/BOLT, M8 x 35 x 35

3шт.

P545263

DEUTZ PART

30.3 x 37.9 x 2

1шт.

P137416

1шт.

P1343249

MANIFOLD

1шт.

P1436922

TAPE

1шт.

P1036991

CLAMP

COLLAR

1шт.

P1030539

DEUTZ PART

PIPE

1шт.

P1524230

DEUTZ PART

PLATE

1шт.

Выбрано товаров: 73