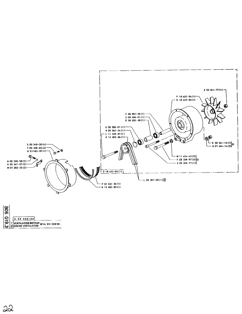
Запчасти Case SC150L (022) - ENGINE VENTILATION

Схема запчастей Case SC150L - (022) - ENGINE VENTILATION
FIT
1:1
100%

Артикул

Название

Примечание

Количество

P34930

DEUTZ PART

SPRING WASHER

4шт.

P933865

DEUTZ PART

SCREW/BOLT, M8 x 12

4шт.

P3349297

DEUTZ PART

PIPE

1шт.

P933858

SCREW

/BOLT, M6 x 12

2шт.

P34707

WASHER

2шт.

P726820

DEUTZ PART

COLLAR

2шт.

P2343230

CIRCULAR BRUSH

BRUSH

1шт.

P1246080

DEUTZ PART

SEAL

1шт.

P938709

SET OF 2 BELTS

9.5 x 1400

1шт.

P39601

BEARING

1шт.

P36234

RING, SNAP

LOCKING RING

1шт.

P1133887

BOLT

SCREW/BOLT, M12 x 190

1шт.

P1238596

DEUTZ PART

PULLEY

1шт.

P1843292

DEUTZ PART

FAN

1шт.

P629236

DEUTZ PART

SPACER

1шт.

P39601

BEARING

1шт.

P629238

DEUTZ PART

BUSHING

1шт.

P1843294

DEUTZ PART

FAN

1шт.

P1843293

DEUTZ PART

COVER

1шт.

P1145443

DEUTZ PART

WASHER

3шт.

P933897

SCREW/BOLT, M8 x 130

3шт.

P532977

BOLT

SCREW/BOLT, M8 x 130

1шт.

P34177

DEUTZ PART

NUT

1шт.

P34113

NUT

1шт.

P745414

DEUTZ PART

WASHER

2шт.

Выбрано товаров: 25