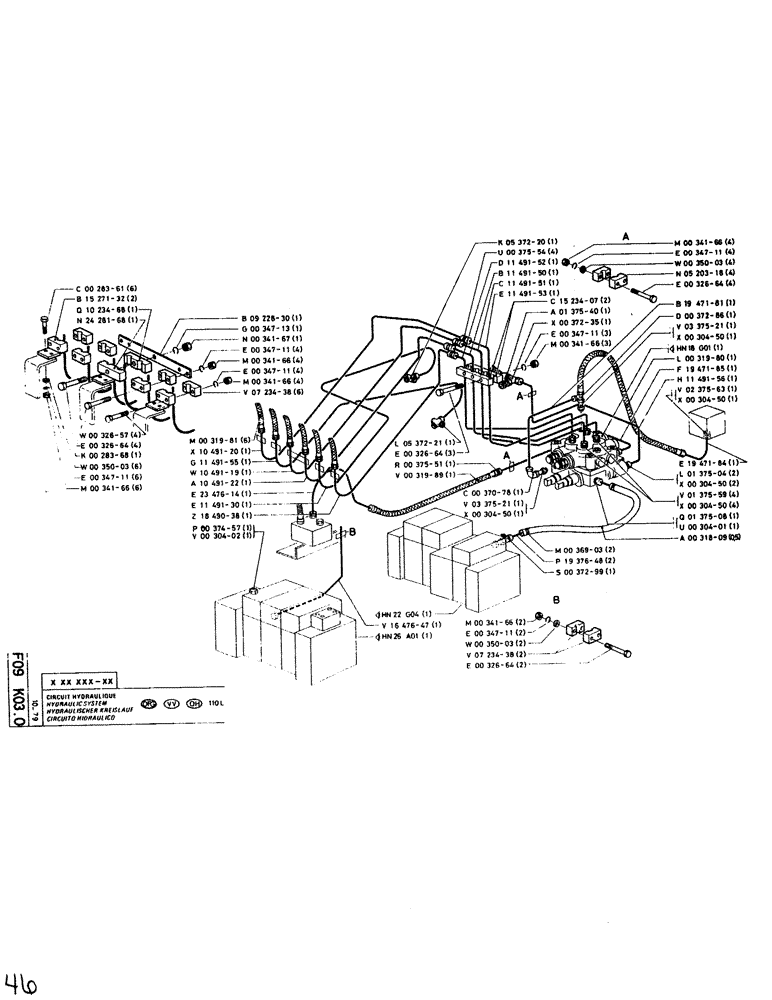
Запчасти Case SC150L (046) - HYDRAULIC SYSTEM

Схема запчастей Case SC150L - (046) - HYDRAULIC SYSTEM
FIT
1:1
100%

Артикул

Название

Примечание

Количество

43140

BOLT,Hex, M10 x 1.5 x 30mm, Cl 8.8

6шт.

P1527132

BRACKET, 15 x 21

2шт.

P1023468

SHIN

BRACKET

1шт.

P2428168

SUPPORT

1шт.

P32657

SCREW

/BOLT, M10 x 60

4шт.

P32664

SCREW

4шт.

P28368

SCREW

1шт.

P35003

WASHER

6шт.

P34711

WASHER

6шт.

100016

NUT,M10 x 1.5, Cl 8

6шт.

P922830

1шт.

P34713

WASHER

1шт.

337475

NUT,M12, Cl 10

1шт.

P34711

WASHER

4шт.

100016

NUT,M10 x 1.5, Cl 8

4шт.

P34711

WASHER

4шт.

100016

NUT,M10 x 1.5, Cl 8

4шт.

P723438

SHIN

BRACKET

6шт.

P31981

HOSE

6шт.

P1049120

1шт.

P1149155

1шт.

P1049119

1шт.

P1049122

1шт.

P2347614

1шт.

P1149130

1шт.

P1849038

1шт.

P37457

PLUG

1шт.

P30402

O-RING

1шт.

P537221

CROSS

-UNION, DN21 x 27 x 27 x 27

1шт.

P32664

SCREW

3шт.

P37551

UNION

1шт.

P31989

HOSE

1шт.

PN22G04

1шт.

P1647647

1шт.

PN26A01

1шт.

P37078

ELBOW-CONNECTION

1шт.

P337521

FITTING

1шт.

P30450

O-RING,3mm Thk x 36mm ID

3 x 36

1шт.

100016

NUT,M10 x 1.5, Cl 8

2шт.

P34711

WASHER

2шт.

P35003

WASHER

2шт.

P723438

SHIN

BRACKET

2шт.

P32664

SCREW

2шт.

P537220

1шт.

P37554

UNION

4шт.

P1149152

PIPE

1шт.

P1149150

1шт.

P1149151

1шт.

P1149153

1шт.

P1523407

2шт.

P137540

1шт.

P37235

TEE

T PIECE, DN27 x 21 x 27

1шт.

P34711

WASHER

3шт.

100016

NUT,M10 x 1.5, Cl 8

3шт.

P36903

COLLAR CLAMP

CLAMP COLLAR

2шт.

P1937648

PIPE

2шт.

P37299

TEE

1шт.

100016

NUT,M10 x 1.5, Cl 8

4шт.

P34711

WASHER

4шт.

P35003

WASHER

4шт.

P520318

SHIN

BRACKET, 20 x 27

4шт.

P32664

SCREW

4шт.

P1947181

PIPE

1шт.

P37286

1шт.

P337521

FITTING

1шт.

P30450

O-RING,3mm Thk x 36mm ID

3 x 36

1шт.

PN18G01

1шт.

P31980

HOSE

1шт.

P1947185

1шт.

P1149156

1шт.

P237563

UNION

1шт.

P30450

O-RING,3mm Thk x 36mm ID

3 x 36

1шт.

P1947184

1шт.

P137504

UNION

2шт.

P30450

O-RING,3mm Thk x 36mm ID

3 x 36

2шт.

P137559

UNION

4шт.

P30450

O-RING,3mm Thk x 36mm ID

3 x 36

4шт.

P137508

UNION

1шт.

P30401

O-RING,2.5mm Thk x 18.5mm ID

1шт.

P31809

PIPE

1шт.

Выбрано товаров: 80