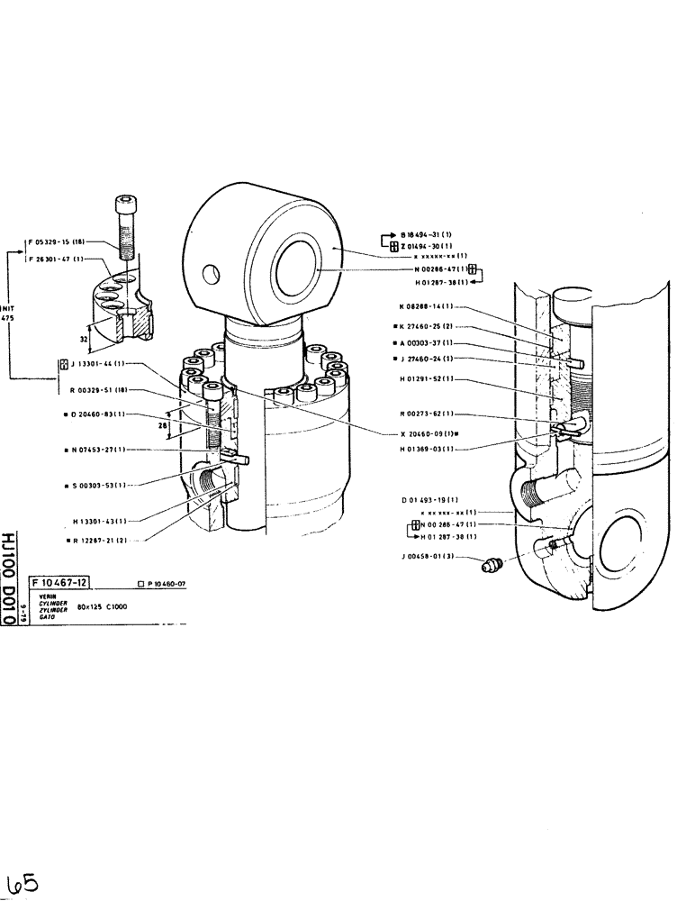
Запчасти Case SC150L (065) - CYLINDER

Схема запчастей Case SC150L - (065) - CYLINDER
FIT
1:1
100%

Артикул

Название

Примечание

Количество

P532915

SCREW

18шт.

P2630147

1шт.

P1330144

1шт.

P32951

SCREW

/BOLT, M14 x 50

18шт.

P2046083

GASKET

1шт.

P745327

BACK-UP RING

1шт.

P30353

O-RING

1шт.

P1330143

1шт.

P1228721

SEGMENT

2шт.

P1046007

SEAL PACKAGE

1шт.

P1849431

PISTON ROD

1шт.

P149430

PISTON ROD

1шт.

P28647

BRONZE BUSHING

1шт.

P128738

BUSHING

60 x 75 x 90

1шт.

P828814

WASHER

1шт.

P2746025

SEGMENT

2шт.

P30337

O-RING

SEAL, 5.33 x 66.04-80

1шт.

P2746024

SEAL

1шт.

P129152

NUT

1шт.

P27362

PIN

1шт.

P2046009

WIPER SEAL

1шт.

P136903

SPECIAL RING

1шт.

P149319

1шт.

P28647

BRONZE BUSHING

1шт.

P128738

BUSHING

60 x 75 x 90

1шт.

J45801

LUBE NIPPLE,M8 x 1.25

GREASE NIPPLE, M8 x 1.25

3шт.

Выбрано товаров: 26