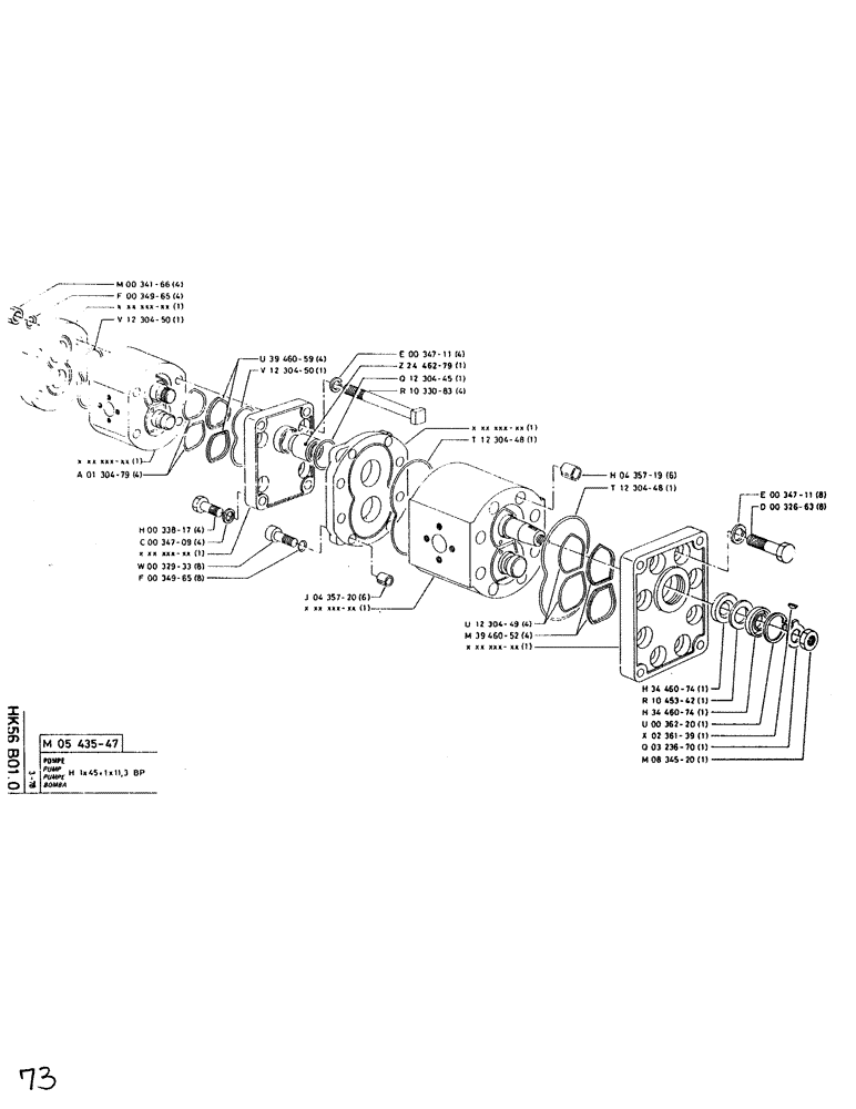
Запчасти Case SC150L (073) - PUMP

Схема запчастей Case SC150L - (073) - PUMP
FIT
1:1
100%

Артикул

Название

Примечание

Количество

100016

NUT,M10 x 1.5, Cl 8

4шт.

P34965

4шт.

P1230450

O-RING,0.103" Thk x 2.362" ID, -142, Cl 5, 75 Duro

1шт.

P130479

O-RING

4шт.

P33817

SCREW

/BOLT, M8 x 30

4шт.

P34709

WASHER

4шт.

P32933

SCREW

/BOLT, M10 x 30

8шт.

P34965

8шт.

P3946059

BACK-UP RING

4шт.

P1230450

O-RING,0.103" Thk x 2.362" ID, -142, Cl 5, 75 Duro

1шт.

P34711

WASHER

4шт.

P2446279

SPLINED COUPLING

1шт.

P1230445

1шт.

P1033083

4шт.

P435720

PIN, ROLL

6шт.

P1230448

O-RING

1шт.

P1230449

O-RING

4шт.

P3946052

BACK-UP RING

4шт.

P435719

PIN, ROLL

6шт.

P1230448

O-RING

1шт.

P34711

WASHER

8шт.

P32663

SCREW

/BOLT, M10 x 35

8шт.

P3446074

OIL SEAL

1шт.

P1045342

1шт.

P3446074

OIL SEAL

1шт.

P36220

DEUTZ PART

1шт.

P236139

1шт.

P323670

1шт.

P834520

1шт.

P34711

WASHER

8шт.

P32663

SCREW

/BOLT, M10 x 35

8шт.

Выбрано товаров: 31