Качественные детали и логистика
Оригинальные и аналоговые запчасти с доставкой по России, Казахстану и Беларуси
©2022 PartSell ООО "Система" ИНН 2463123282 ОГРН 1212400004838
Центральный офис: г. Красноярск, Академика Киренского, д.87, пом.4
Телефон: 8 (800) 777-65-74 Email: zakaz@partsell.ru
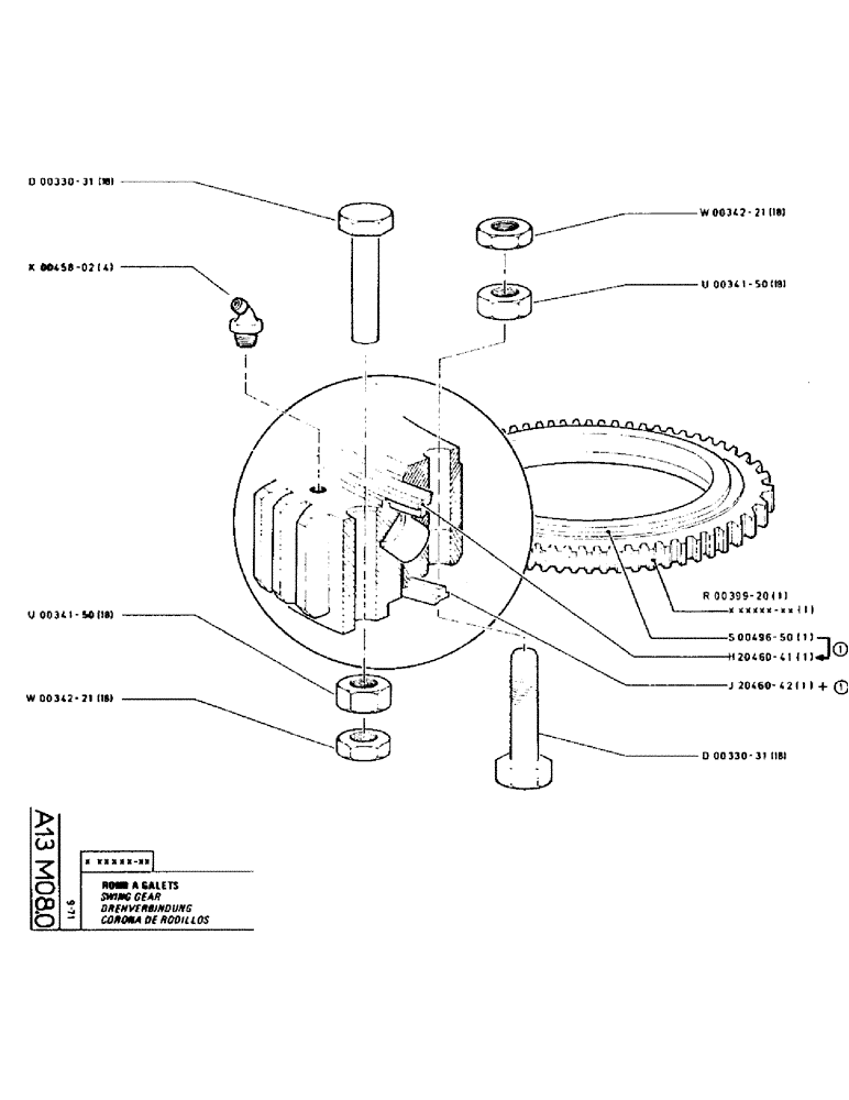
(008) - SWING GEAR
№
Артикул
Название
Примечание
Количество
P33031
SCREW
18шт.
K45802
LUBE NIPPLE
14шт.
P34150
NUT
P34221
P39920
1шт.
P49650
P2046041
SEAL
P2046042
Выбрано товаров: 0