Качественные детали и логистика
Оригинальные и аналоговые запчасти с доставкой по России, Казахстану и Беларуси
©2022 PartSell ООО "Система" ИНН 2463123282 ОГРН 1212400004838
Центральный офис: г. Красноярск, Академика Киренского, д.87, пом.4
Телефон: 8 (800) 777-65-74 Email: zakaz@partsell.ru
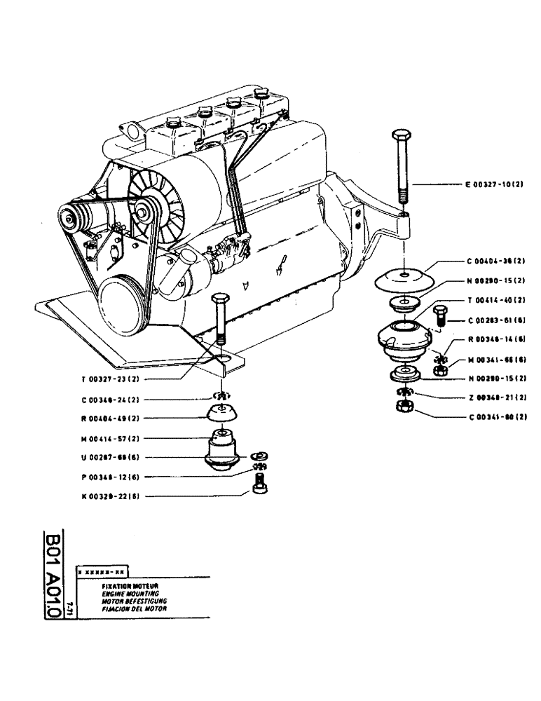
(013) - ENGINE MOUNTING
№
Артикул
Название
Примечание
Количество
P32723
2шт.
P34824
WASHER
P40449
P41457
P28768
6шт.
P34812
P32922
SCREW
/BOLT, M8 x 25
P32710
P40436
P29015
P41440
43140
BOLT,Hex, M10 x 1.5 x 30mm, Cl 8.8
P34814
100016
NUT,M10 x 1.5, Cl 8
P34821
825-1418
NUT,M18, Cl 8
Выбрано товаров: 0