Запчасти Case TC45 (170) - BASIC HYDRAULIC MOTOR

Схема запчастей Case TC45 - (170) - BASIC HYDRAULIC MOTOR
FIT
1:1
100%

Артикул

Название

Примечание

Количество

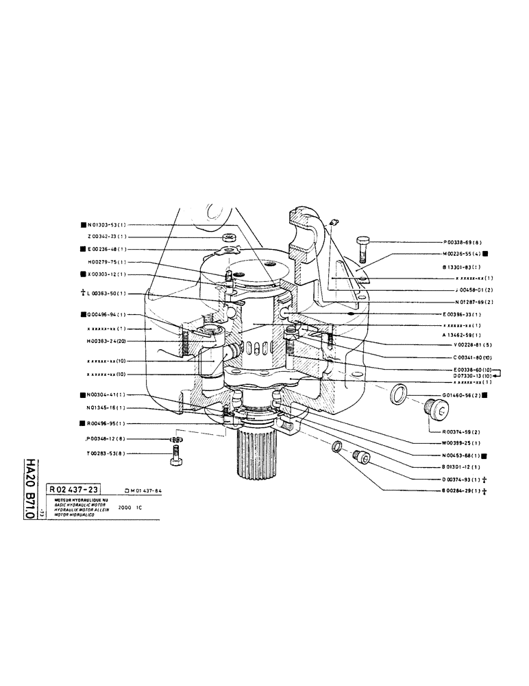
P130353

O-RING

SEAL, 6.99 x 113.67-60

1шт.

P34223

NUT

1шт.

P23648

BRAKE

LOCKING

1шт.

P27975

DOWEL

1шт.

P30312

SEAL

1шт.

P36350

1шт.

P36324

CIRCLIP

20шт.

P30441

O-RING

3 x 190

1шт.

P134516

SLOTTED NUT, M110 x 2

1шт.

P49695

OIL SEAL

1шт.

P34812

WASHER

8шт.

P28353

SCREW

/BOLT, M8 x 30

8шт.

P33869

BOLT,Hex, M14 x 30

8шт.

P23655

BRAKE

4шт.

P23655

BRAKE

4шт.

P1330183

COVER

PLATE

1шт.

J45801

LUBE NIPPLE,M8 x 1.25

GREASE NIPPLE, M8 x 1.25

2шт.

P128789

BUSHING

60 x 75 x 65

2шт.

P39633

BEARING

1шт.

P1346259

SHAFT

1шт.

P22881

5шт.

825-1418

NUT,M18, Cl 8

10шт.

P33860

10шт.

P733013

SCREW

10шт.

P146056

COMPOSITE SEAL

METAL PLASTICS

2шт.

P37459

PLUG

D27 x 1.5

2шт.

P39925

BEARING

1шт.

P45368

SPECIAL WASHER

NUT LOCK

1шт.

P130112

COVER

1шт.

P37493

PLUG

1шт.

P28429

COMPOSITE SEAL

METAL PLASTICS

1шт.

Выбрано товаров: 31