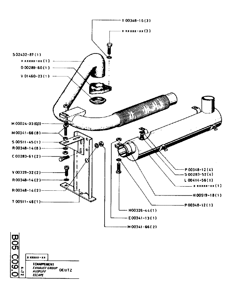
Запчасти Case TC45 (026) - EXHAUST GROUP

Схема запчастей Case TC45 - (026) - EXHAUST GROUP
FIT
1:1
100%

Артикул

Название

Примечание

Количество

P243287

1шт.

P28960

1шт.

P146023

1шт.

P2403

STEM

1шт.

100016

NUT,M10 x 1.5, Cl 8

8шт.

P51145

1шт.

P34814

WASHER

8шт.

43140

BOLT,Hex, M10 x 1.5 x 30mm, Cl 8.8

2шт.

P32932

SCREW

/BOLT, M10 x 25

2шт.

P34814

WASHER

2шт.

P34814

WASHER

2шт.

P51146

1шт.

P34816

WASHER

3шт.

P32644

SCREW,Hex, M8 x 16

/BOLT, M8 x 16

1шт.

P34113

NUT

1шт.

100016

NUT,M10 x 1.5, Cl 8

2шт.

P34812

WASHER

4шт.

P28352

SCREW

/BOLT, M8 x 20

4шт.

P41456

1шт.

P51918

1шт.

P34812

WASHER

1шт.

Выбрано товаров: 21