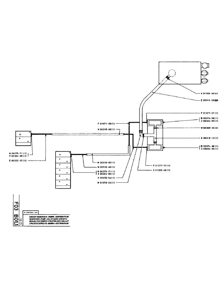
Запчасти Case TC45 (050) - RESERVOIR - PUMP - VALVE BANK CIRCUITS

Схема запчастей Case TC45 - (050) - RESERVOIR - PUMP - VALVE BANK CIRCUITS
FIT
1:1
100%

Артикул

Название

Примечание

Количество

P37571

UNION

1шт.

P30405

O-RING

SEAL, 2.62 x 32.99-80

1шт.

P52237

1шт.

P147159

1шт.

P31982

HOSE

1шт.

P31982

HOSE

1шт.

P51048

PIPE

12 x 17

1шт.

P37571

UNION

1шт.

P30405

O-RING

SEAL, 2.62 x 32.99-80

1шт.

P347654

1шт.

P137023

1шт.

P137737

FITTING

1шт.

P136940

1шт.

P136940

4шт.

P31836

LARGE HOSE

HOSE

1шт.

P137737

FITTING

1шт.

P37468

PLUG

1шт.

P30405

O-RING

SEAL, 2.62 x 32.99-80

1шт.

P36935

COLLAR CLAMP

CLAMP COLLAR

2шт.

P31813

1шт.

P37468

PLUG

1шт.

P30405

O-RING

SEAL, 2.62 x 32.99-80

1шт.

Выбрано товаров: 22