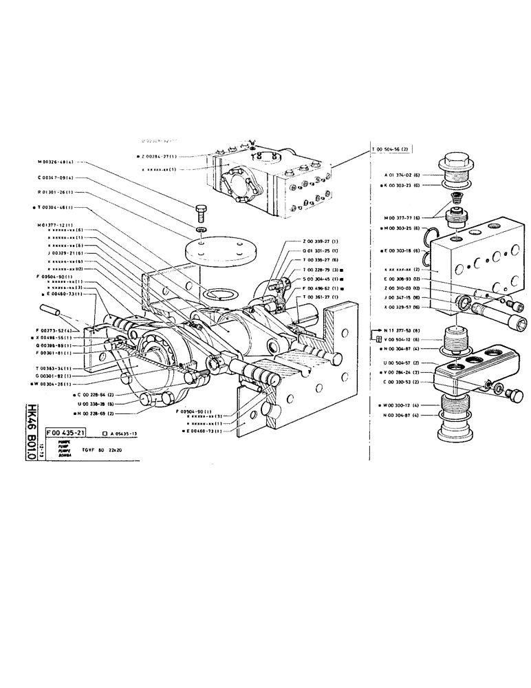
Запчасти Case TC45 (062) - PUMP

Схема запчастей Case TC45 - (062) - PUMP
FIT
1:1
100%

Артикул

Название

Примечание

Количество

43127

BOLT,Hex, M8 x 1.25 x 25mm, Cl 8.8

BOLT, Hex, M8 x 25, 8.8

4шт.

P34709

WASHER

4шт.

P130126

1шт.

P30446

1шт.

P137712

1шт.

P32921

SCREW,Hex Soc Hd, M8 x 20, 10.9

/BOLT, M8 x 20

6шт.

P50490

1шт.

P46073

GASKET

1шт.

P27352

4шт.

P49655

1шт.

P39689

BEARING

1шт.

P30181

1шт.

P36334

SNAP RING

1шт.

P30182

1шт.

P30426

O-RING,0.094" Thk x 5.438" ID, -161, Cl 5, 75 Duro

1шт.

P22864

BRAKE

2шт.

P33828

SCREW

/BOLT, M10 x 40

8шт.

P22869

2шт.

P43521

1шт.

P543513

1шт.

P30892

SCREW

/BOLT

1шт.

P28427

WASHER

1шт.

P50490

1шт.

P46073

GASKET

1шт.

P39927

1шт.

P130125

1шт.

11106231

BOLT,Hex, M10 x 1.5 x 25mm, Cl 10.9

BOLT, Hex, M10 x 25, 10.9, Full Thd

6шт.

P22879

BRAKE

3шт.

P30445

1шт.

P49662

OIL SEAL

1шт.

P36127

BUCKET TOOTH KEY

1шт.

P50456

2шт.

P137402

PLUG

6шт.

P30323

SEAL

6шт.

P37777

VALVE POPPET

6шт.

P30325

SEAL,0.139" Thk x 1.359" ID, -220, Cl 5, 75 Duro

3.6 x 34.1

6шт.

P30318

O-RING

SEAL, 3.6 x 23

6шт.

P30893

SCREW

12шт.

P31003

BALL

12шт.

P34715

WASHER, LOCK

WASHER

16шт.

P32957

SCREW

/BOLT, M16 x 90

16шт.

P1137753

VALVE POPPET

VALVE

6шт.

P50412

ASSEMBLY

6шт.

P30487

O-RING,0.103" Thk x 1.487" ID, -128, Cl 5, 75 Duro

SEAL, 2.62 x 37.77-80

4шт.

P50457

2шт.

P28424

COMPOSITE SEAL

METAL PLASTICS

2шт.

P33053

2шт.

P30012

4шт.

P30487

O-RING,0.103" Thk x 1.487" ID, -128, Cl 5, 75 Duro

SEAL, 2.62 x 37.77-80

4шт.

Выбрано товаров: 49