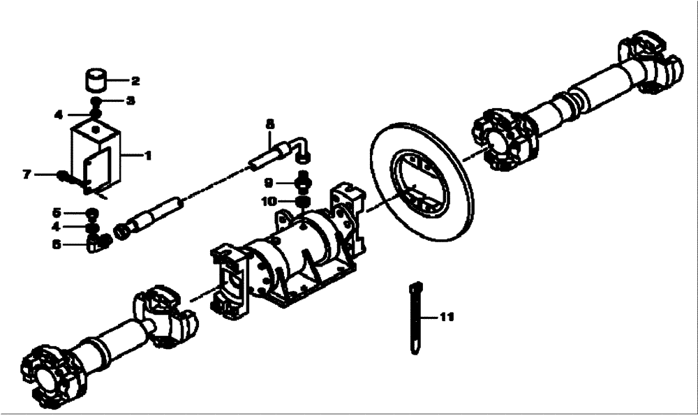
Запчасти Case 340B (24A00000796[001]) - BREATHER, DRIVESHAFT (P.I.N. HHD0340BN7PG58147 AND AFTER) (84238729) (03) - Converter / Transmission

Схема запчастей Case 340B - (24A00000796[001]) - BREATHER, DRIVESHAFT (P.I.N. HHD0340BN7PG58147 AND AFTER) (84238729) (03) - Converter / Transmission
5
10
4
2
6
3
4
11
7
9
8
1
FIT
1:1
100%

Артикул

Название

Примечание

Количество

REF

INSTRUCTION

Breather, Driveshaft (84238729)

1шт.

1

89500418735

SEPARATOR

1шт.

2

89500420667

BREATHER

1шт.

3

89500420669

REDUCER FITTING

1шт.

4

99489019

SEALING WASHER

2шт.

5

8916500715

HYD CONNECTOR

1шт.

6

89500402962

90 ELBOW

1шт.

7

8916597424

BOLT

2шт.

8

89500415567

HOSE ASSY.

1шт.

9

8900141350

HYD CONNECTOR

1шт.

10

8900115474

COPPER SEAL

1шт.

11

8900150511

COLLAR

1шт.

Выбрано товаров: 12