Запчасти Case 340B (38A00020675[001]) - CYLINDERS, FRONT SUSPENSION (87672320) (09) - Implement / Hydraulics / Frame / Brakes

Схема запчастей Case 340B - (38A00020675[001]) - CYLINDERS, FRONT SUSPENSION (87672320) (09) - Implement / Hydraulics / Frame / Brakes
21
30a00000059
7
adt40
14
2
14
30a00000058
11
21
16
1
20
15
13
23
13
15
14
10
3
17
17
8
22
16
15
17
5
16
36a00001001
18
15
14
19
15
14
20
15
14
adt35
15
30a00000058
16
adt40
30a00000059
22
2
9
14
19
14
6
adt35
23
12
3
17
4
15
FIT
1:1
100%

Артикул

Название

Примечание

Количество

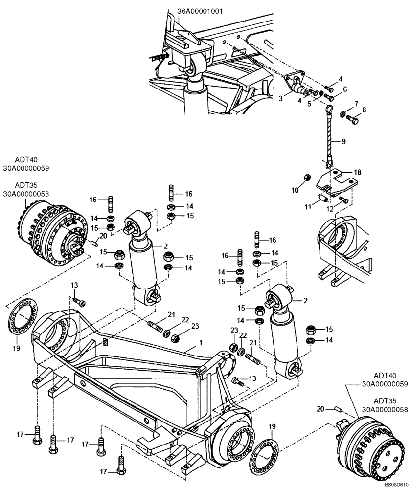
1

89500423526

FRAME

1шт.

2

89500431196

CYLINDER,Double Acting, 100mm Rod, 120mm Stroke

Replaces 89500415397 Cylinder Assy

2шт.

See Figure(s) 38D0000017

1шт.

3

8900107798

SUPPORT

2шт.

4

8900135062

SCREW,M14 x 40mm

M14 x 40

4шт.

5

8900102292

SPRING WASHER

2шт.

6

8916695924

BOLT,M14 x 50mm

M14 x 50

2шт.

7

8900107799

COLLAR

2шт.

8

8916681535

BOLT

M14 x 110

2шт.

9

8900172819

METAL ROPE

2шт.

10

8900125788

LOCK NUT

M20

2шт.

11

89500401240

SPACER

2шт.

12

8900100885

BOLT

M20 x 110

2шт.

13

89500423524

BOLT

M20 x 1.5 x 130; Qty 28 For Model 340B Only

28шт.

14

8917093274

WASHER

8шт.

15

8917156531

NUT

M24 x 2

8шт.

16

89500402625

STUD

M24 x 2 x 80

4шт.

17

89500421948

BOLT

4шт.

18

89500421315

BRACKET

2шт.

19

89500423100

PLATE

2шт.

20

87454832

PIN

Replaces 8900133587 Pin

4шт.

21

89500428841

STUD

For Model 340B Only; If Used

8шт.

22

8900055157

WASHER

Replaces 8900140507 Collar

8шт.

REF

INSTRUCTION

For Model 340B Only; If Used

1шт.

23

8900151937

NUT

For Model 340B Only; If Used

8шт.

Выбрано товаров: 25