Запчасти Case 340B (38A00050675[001]) - CYLINDERS, FRONT SUSPENSION (P.I.N. HHD0340BN7PG58135 AND AFTER) (84153442) (09) - Implement / Hydraulics / Frame / Brakes

Схема запчастей Case 340B - (38A00050675[001]) - CYLINDERS, FRONT SUSPENSION (P.I.N. HHD0340BN7PG58135 AND AFTER) (84153442) (09) - Implement / Hydraulics / Frame / Brakes
14
11
20
17
13
22
9
19
16
23
15
14
18
6
17
12
1
14
7
14
19
21
14
15
15
20
30a00000058 (adt35)
14
13
23
16
15
30a00000058
8
10
15
16
3
5
36a00001001
17
2
(adt35)
15
4
17
30a00000059
4
16
2
14
21
15
30a00000059 (adt40)
1
15
14
(adt40)
FIT
1:1
100%

Артикул

Название

Примечание

Количество

REF

INSTRUCTION

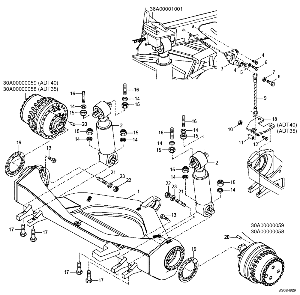
Front Suspension (Chassis SN 458135 And After) (SEP 2008)

1шт.

1

89500429123

FORK

A-Frame

1шт.

2

89500431196

CYLINDER,Double Acting, 100mm Rod, 120mm Stroke

Assy Front Suspension

2шт.

3

8900107798

SUPPORT

2шт.

4

8900135062

SCREW,M14 x 40mm

M14 x 40

4шт.

5

8900102292

SPRING WASHER

2шт.

6

8916695924

BOLT,M14 x 50mm

M14 x 50

2шт.

7

8900107799

COLLAR

2шт.

8

8916681535

BOLT

M14 x 110

2шт.

9

8900172819

METAL ROPE

2шт.

10

8900125788

LOCK NUT

S.L.

2шт.

11

89500401240

SPACER

2шт.

12

8900100885

BOLT

M20 x 110

2шт.

13

89500423524

BOLT

M20 x 1.5 x 130

28шт.

14

8917093274

WASHER

Bevel

8шт.

15

8917156531

NUT

M24 x 2

8шт.

16

89500402625

STUD

4шт.

17

89500421948

BOLT

4шт.

18

89500421315

BRACKET

2шт.

19

89500423100

PLATE

2шт.

20

87454832

PIN

4шт.

21

89500428841

STUD

8шт.

22

8900056626

NUT

S.L.

8шт.

23

8900055157

WASHER

8шт.

Выбрано товаров: 24