Запчасти Case 340B (39A00010627[001]) - TIE RODS, REAR SUSPENSION (87585270) (09) - Implement / Hydraulics / Frame / Brakes

Схема запчастей Case 340B - (39A00010627[001]) - TIE RODS, REAR SUSPENSION (87585270) (09) - Implement / Hydraulics / Frame / Brakes
27
21
9
24
23
32
16
1
23
23
20
24
22
24
32
27
11
7
12
13
17
8
14
8
22
23
26
13
13
23
10
31
23
7
24
2
16
18
4
29
23
24
31
23
23
15
2
29
23
23
24
6
25
3
15
28
30
FIT
1:1
100%

Артикул

Название

Примечание

Количество

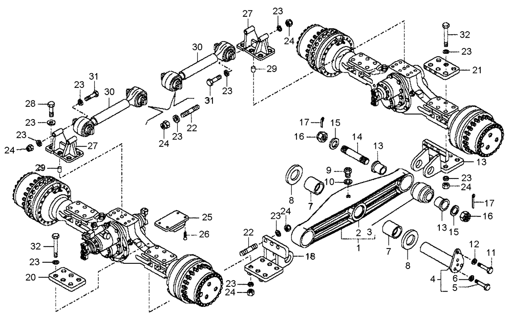
1

8998340170

ARM ASSY.

2шт.

Include(s) 2, 3

1шт.

2

NSS

NOT SOLD SEPARAT

Pivot Arm Without Bushing; Part Number 89500418892

2шт.

3

89500418188

BUSHING,89mm ID x 214mm OD x 196.7mm L

4шт.

4

8900192213

PIN

TROLLEY; Until P.I.N. HHD0340BN6PG58071

2шт.

4-1

89500425296

PIN

TROLLEY; P.I.N. HHD0340BN6PG58072 And After - Not Illustrated

2шт.

Include(s) 5, 6

1шт.

5

8900055088

BOLT

M16 x 60; Replaces 8900177301 Bolt

6шт.

6

8900110597

WASHER

6шт.

7

89500419306

BUSHING

4шт.

8

89500421186

SCRAPER

RING; Until P.I.N. HHD0340BN6PG58071

4шт.

8-1

89500425298

SCRAPER RING

P.I.N. HHD0340BN6PG58072 And After - Not Illustrated

4шт.

9

89500409013

ADAPTER

2шт.

10

8900157037

COPPER SEAL

2шт.

11

8916637134

BOLT

2шт.

12

8900140552

COLLAR

2шт.

13

89500406663

BUSHING

8шт.

14

89500406664

PIN

4шт.

15

89500406666

WASHER

8шт.

16

89500406665

NUT

8шт.

17

8916863701

PIN, SPLIT (COTTER)

PIN, COTTER 8 x 90

8шт.

18

89500418888

BRACKET

2шт.

19

89500418889

BRACKET

2шт.

20

89500425098

PLATE

PLATE, Replaces 89500405905 Plate 48mm x 270 x 355 Used On Some Models

2шт.

INTERM. LH - REAR RH

1шт.

21

89500425099

PLATE

PLATE, Replaces 89500405906 Plate 48mm x 270 x 355 Used On Some Models

2шт.

INTERM. RH - REAR LH

1шт.

22

89500402625

STUD

16шт.

23

8917093274

WASHER

84шт.

24

8917156531

NUT

M24 x 2

40шт.

25

89500424563

RUBBER BLOCK

Replaces 89500407852 Pad Buffer

4шт.

26

8900958408

SCREW

M10 x 1.5 x 20

16шт.

27

89500418891

SUPPORT

2шт.

28

8916640034

BOLT

12шт.

29

89500402751

PLUG

4шт.

30

89500407500

TIE-ROD

2шт.

31

89500402619

BOLT,Hex, M24 x 2 x 210mm

4шт.

32

89500402620

BOLT,Hex, M24 x 2 x 330mm, Cl 10.9

24шт.

Выбрано товаров: 38