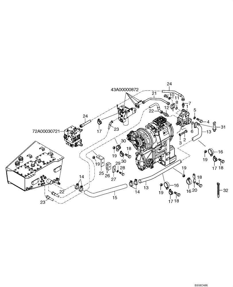
Запчасти Case 340B (43A01010871[001]) - HYDRAULIC CIRCUIT, STEERING PUMP (SIMPLE MUX P.I.N. HHD0340BN7PG58072 AND AFTER) (87748823) (09) - Implement / Hydraulics / Frame / Brakes

Схема запчастей Case 340B - (43A01010871[001]) - HYDRAULIC CIRCUIT, STEERING PUMP (SIMPLE MUX P.I.N. HHD0340BN7PG58072 AND AFTER) (87748823) (09) - Implement / Hydraulics / Frame / Brakes
13
19
17
4
6
22
23
3
2
26
19
8
23
32
5
72a00030721
25
16
19
19
24
28
20
19
18
11
17
21
18
17
31
24
15
1
27
16
16
30
43a00000872
22
29
7
18
14
10
13
18
12
14
30
FIT
1:1
100%

Артикул

Название

Примечание

Количество

1

89500408207

HYDRAULIC PUMP,143 CC

1шт.

2

8900102204

BOLT,M18 x 55mm

M18 x 55

3шт.

3

8917798774

SPRING WASHER

3шт.

4

8900119987

BOLT

M12 x 40

4шт.

5

8900115529

LOCK WASHER

4шт.

6

8917290480

O-RING

O-RING

1шт.

7

89500406113

HYD CONNECTOR

1шт.

8

8917289480

O-RING

SEALRING O-RING

1шт.

9

8900191137

FLANGE

SPLIT

2шт.

10

8916712534

SCREW,M14 x 50mm

M14 x 50

4шт.

11

8900102292

SPRING WASHER

4шт.

12

89500403772

HYD CONNECTOR

1шт.

13

89500406671

PIPE

IRON

1шт.

14

89500409024

STRAP

BAND

4шт.

15

89500420555

HOSE,88.89 mm ID x 1350.00 mm, SAE 100R4

1шт.

16

89500407962

STRAP

BAND

3шт.

17

8900102897

COLLAR

3шт.

18

8900115555

BOLT,M8 x 30mm

M8 x 30

4шт.

19

8900115122

NUT

S.L.

5шт.

20

89500409139

BRACKET

1шт.

21

89500418686

TUBE,417.2, 337.6 mm L

1шт.

22

89500407736

HOSE

ASSY

1шт.

23

89500407738

HOSE

ASSY

1шт.

24

89500407787

HOSE

ASSY

1шт.

25

89500408005

SUPPORT

1шт.

26

89500403882

COLLAR

2шт.

27

8900174958

COVER PLATE

1шт.

28

8900010898

BOLT

M8 x 70

1шт.

29

8900145012

COLLAR

1шт.

30

8900125021

STRAP

BAND

2шт.

31

89500409104

SWITCH

1шт.

32

8900150511

COLLAR

1шт.

Выбрано товаров: 32