Запчасти Case 340B (49A03011027[001]) - FRONT FRAME ( H I L ) PNEUMATICS (SIMPLE MUX P.I.N. HHD0340BN7PG58072 AND AFTER) (87751002) (09) - Implement / Hydraulics / Frame / Brakes

Схема запчастей Case 340B - (49A03011027[001]) - FRONT FRAME ( H I L ) PNEUMATICS (SIMPLE MUX P.I.N. HHD0340BN7PG58072 AND AFTER) (87751002) (09) - Implement / Hydraulics / Frame / Brakes
11
10
7
7
h
9
7
5
9
h
13
9
3
11
6
4
6
15
7
49a00001028
12
8
14
12
l
2
10
i
11
10
7
13
FIT
1:1
100%

Артикул

Название

Примечание

Количество

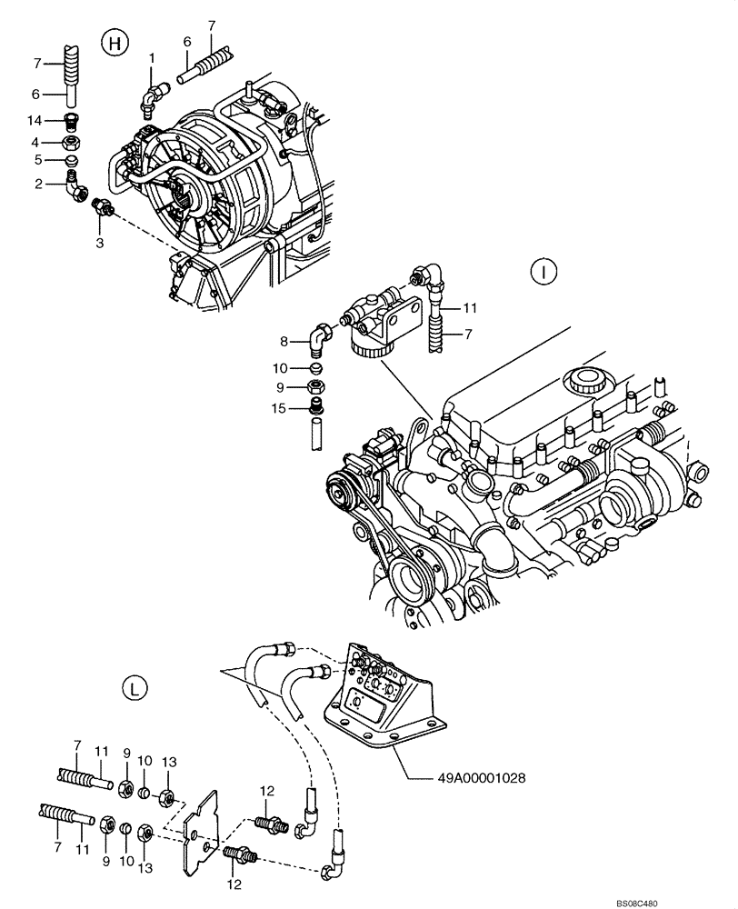
1

8900121039

ELBOW

CONNECTOR

1шт.

2

89500402962

90 ELBOW

ELBOW 90

1шт.

3

89500409980

HYD CONNECTOR

1шт.

4

8916506615

NUT

NUT

1шт.

5

8916507314

FERRULE

CONE

1шт.

6

8900095210

PLASTIC-RUBBER TUBE

1шт.

7

8900095153

FLEXIBLE SHEATH

CORRUGATED

1шт.

8

89500409576

HYD CONNECTOR

ELBOW

1шт.

9

8916506715

NUT

NUT

3шт.

10

8916507414

FERRULE

CONE

3шт.

11

8900095211

HOSE

PLASTIC

1шт.

12

8916502314

HYD CONNECTOR

2шт.

13

8900141319

NUT

2шт.

14

8900141383

BUSHING

1шт.

15

8900141326

BUSHING

1шт.

16

89500414723

HOSE ASSY.

2шт.

Выбрано товаров: 16