Запчасти Case 340B (67A01061463[001]) - CONTROL UNIT / INDICATOR - CHASSIS (SIMPLE MUX P.I.N. HHD0340BN7PG58072 AND AFTER) (87745965) (13) - Electrical System / Decals

Схема запчастей Case 340B - (67A01061463[001]) - CONTROL UNIT / INDICATOR - CHASSIS (SIMPLE MUX P.I.N. HHD0340BN7PG58072 AND AFTER) (87745965) (13) - Electrical System / Decals
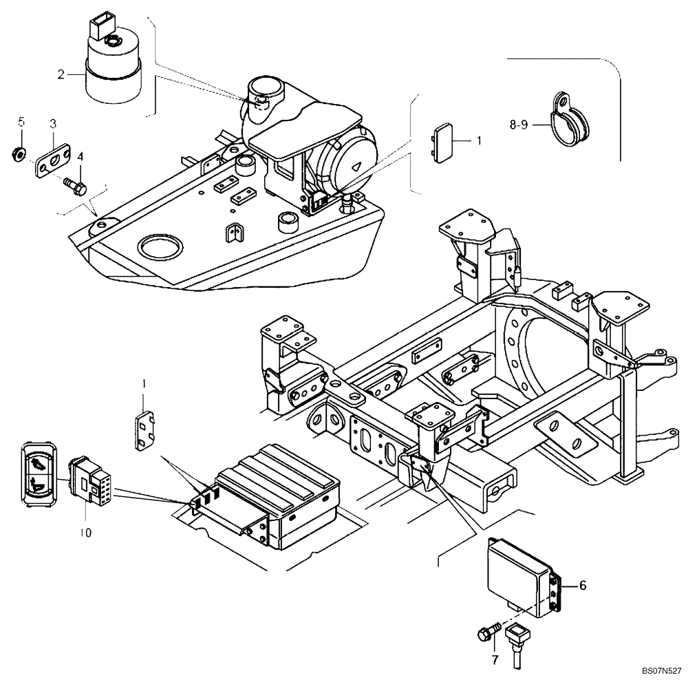
1
10
6
1
8
4
2
9
5
7
3
FIT
1:1
100%

Артикул

Название

Примечание

Количество

1

89500409508

PLUG

3шт.

2

89500411620

INDICATOR

1шт.

3

89500409030

PLATE

1шт.

4

8900124628

BOLT

M6 x 20

2шт.

5

8900125009

NUT

2шт.

6

89500425510

CONTROL UNIT

1шт.

7

8900119859

BOLT

M5 x 10

2шт.

8

8900102937

COLLAR

CLAMP BAND

6шт.

9

8900049243

COLLAR

STRAP BAND

6шт.

10

89500420736

SWITCH

1шт.

Выбрано товаров: 10