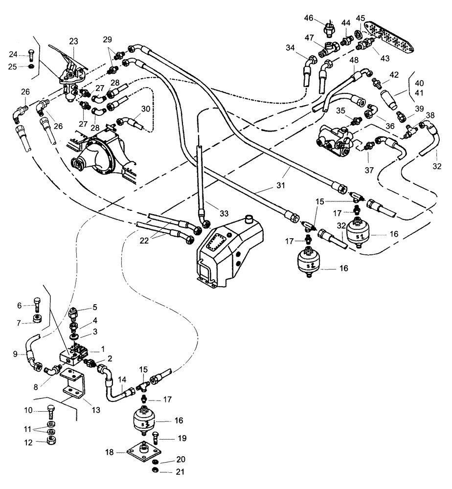
Запчасти Case 325 (3.400/1[06A]) - HYDRAULIC CIRCUIT BRAKE SYSTEM - FRAME PART (87458169) (09) - Implement / Hydraulics / Frame / Brakes

Схема запчастей Case 325 - (3.400/1[06A]) - HYDRAULIC CIRCUIT BRAKE SYSTEM - FRAME PART (87458169) (09) - Implement / Hydraulics / Frame / Brakes
44
24
41
36
46
28
4
18
31
39
2
37
40
16
17
20
17
27
48
26
16
15
29
6
21
12
38
17
25
27
42
1
30
43
26
45
8
7
32
3
22
34
14
23
47
33
11
5
13
28
15
16
10
19
9
35
32
FIT
1:1
100%

Артикул

Название

Примечание

Количество

1

89500401686

HYDRAULIC VALVE

Replaces 8998199827 Valve Hydraulic

1шт.

2

8900191067

HYD CONNECTOR

1шт.

3

89500402384

GASKET

1шт.

4

89500401683

HYD CONNECTOR

1шт.

5

8998198349

SWITCH

1шт.

6

8900107974

BOLT

2шт.

7

8900125009

NUT

2шт.

8

8998198049

HYD CONNECTOR

1шт.

9

8998198381

PIPE

1шт.

10

8900172961

BOLT

2шт.

11

8900145012

COLLAR

4шт.

12

8917152825

NUT

2шт.

13

89500401662

BRACKET

1шт.

14

8900190978

HOSE

1шт.

15

8900193938

HYD CONNECTOR

3шт.

16

8960720006

ACCUMULATOR

3шт.

17

8900191038

HYD CONNECTOR

3шт.

18

8998198428

PLATE

1шт.

19

8900140879

BOLT,M8 x 25mm

4шт.

20

8900141697

WASHER

4шт.

21

8900016391

NUT

4шт.

22

89500401809

PIPE

2шт.

23

8998196976

VALVE

1шт.

See Page : 3.400 10

1шт.

24

8900172961

BOLT

3шт.

25

8900956220

LOCK WASHER

3шт.

26

8900191124

HYD CONNECTOR

2шт.

27

8900193942

HYD CONNECTOR

1шт.

28

8900191126

SWIVEL CONNECTION

2шт.

29

8900191194

HYD CONNECTOR

2шт.

30

8900191107

FLEXIBLE HOSE

1шт.

31

8900193885

FLEXIBLE HOSE

2шт.

32

8900193888

FLEXIBLE HOSE

2шт.

33

8998198379

PIPE

1шт.

34

8900193889

FLEXIBLE HOSE

1шт.

35

8900193941

HYD CONNECTOR

1шт.

36

8900191173

HYD CONNECTOR

1шт.

37

89500400145

SWIVEL CONNECTION

1шт.

38

89500401697

HYD CONNECTOR

1шт.

39

8900194429

HYD CONNECTOR

1шт.

41

89500401674

HYDRAULIC VALVE

1шт.

42

8900191014

HYD CONNECTOR

1шт.

43

89500404280

HYD CONNECTOR

1шт.

44

89500403209

HYD CONNECTOR

1шт.

45

8998198017

COPPER WASHER

1шт.

46

8998198375

SWITCH

1шт.

47

8998198278

SWIVEL CONNECTION

1шт.

48

8900195641

FLEXIBLE HOSE

1шт.

49

89500404313

HYD CONNECTOR

1шт.

Выбрано товаров: 49