Запчасти Case 325 (3.400/1[07A]) - HYDRAULIC CIRCUIT BRAKE SYSTEM - FRAME PART (09) - Implement / Hydraulics / Frame / Brakes

Схема запчастей Case 325 - (3.400/1[07A]) - HYDRAULIC CIRCUIT BRAKE SYSTEM - FRAME PART (09) - Implement / Hydraulics / Frame / Brakes
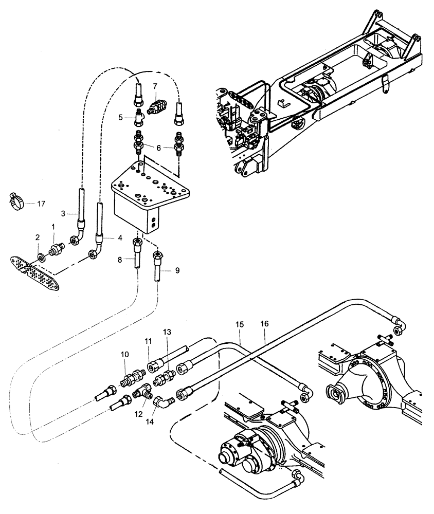
11
9
14
10
3
5
13
16
4
1
7
15
6
12
17
8
2
FIT
1:1
100%

Артикул

Название

Примечание

Количество

1

89500403209

HYD CONNECTOR

1шт.

2

8998198017

COPPER WASHER

1шт.

3

8900191107

FLEXIBLE HOSE

1шт.

4

8900190989

FLEXIBLE HOSE

1шт.

5

8998198278

SWIVEL CONNECTION

1шт.

6

89500404280

HYD CONNECTOR

2шт.

7

8900183360

SWIVEL CONNECTION

1шт.

8

89500401818

PIPE

1шт.

9

89500401821

PIPE

1шт.

10

8900192608

HYD CONNECTOR

1шт.

11

8998198388

PIPE

1шт.

12

8998198622

SWIVEL CONNECTION

1шт.

13

8900192646

HYD CONNECTOR

1шт.

14

8900191126

SWIVEL CONNECTION

1шт.

15

89500401819

PIPE

1шт.

Serial Number : 325 Until 455379, 325 Until HHD0000111

1шт.

15

89500405660

FLEXIBLE HOSE

1шт.

Serial Number : 325 HHD0000112 And After

1шт.

16

89500401820

PIPE

1шт.

Serial Number : 325 Until 455379, 325 Until HHD0000111

1шт.

16

89500405661

FLEXIBLE HOSE

1шт.

Serial Number : 325 HHD0000112 And After

1шт.

17

8900150511

COLLAR

1шт.

Выбрано товаров: 23