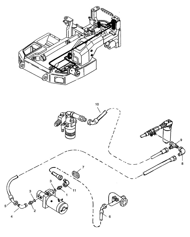
Запчасти Case 325 (3.413/1[06]) - POWER STEERING - HYDRAULIC SYSTEM (09) - Implement / Hydraulics / Frame / Brakes

Схема запчастей Case 325 - (3.413/1[06]) - POWER STEERING - HYDRAULIC SYSTEM (09) - Implement / Hydraulics / Frame / Brakes
3
9
6
8
2
4
5
11
1
3
7
10
FIT
1:1
100%

Артикул

Название

Примечание

Количество

1

8900191079

HYD CONNECTOR

1шт.

2

8900191026

HYD CONNECTOR

1шт.

3

8900141317

O-RING

1шт.

4

8900191173

HYD CONNECTOR

1шт.

5

8900190990

FLEXIBLE HOSE

1шт.

6

89500401811

HOSE ASSY.

1шт.

7

8900095121

RUBBER WEATHERSTRIP

1шт.

8

8900191173

HYD CONNECTOR

1шт.

9

8900192526

HYD CONNECTOR

M8 x 40

1шт.

10

8900192629

FLEXIBLE HOSE

1шт.

11

8998198396

SWIVEL CONNECTION

1шт.

Выбрано товаров: 11