Запчасти Case 325 (3.457/1[01B]) - FRAME - ATTACHMENTS (87628706) (09) - Implement / Hydraulics / Frame / Brakes

Схема запчастей Case 325 - (3.457/1[01B]) - FRAME - ATTACHMENTS (87628706) (09) - Implement / Hydraulics / Frame / Brakes
3
15
14
1
5
13
7
6
12
2
11
4
FIT
1:1
100%

Артикул

Название

Примечание

Количество

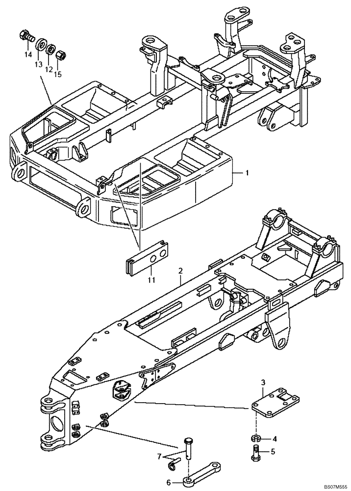
1

8900132047

FRAME

FRONT

1шт.

2

8900132044

FRAME

REAR

1шт.

3

8900194580

SHIELD

1шт.

4

8900141413

WASHER

8шт.

5

8900001048

BOLT

M10 x 1.5 x 30

8шт.

6

8900194781

BAR

1шт.

7

8960070061

PIN

2шт.

11

8900194774

BRACKET

2шт.

12

89500404150

SHIM

1шт.

13

89500404151

SHIM

1шт.

14

8900010898

BOLT

M8 x 70

1шт.

15

8900016391

NUT

M8

1шт.

Выбрано товаров: 12