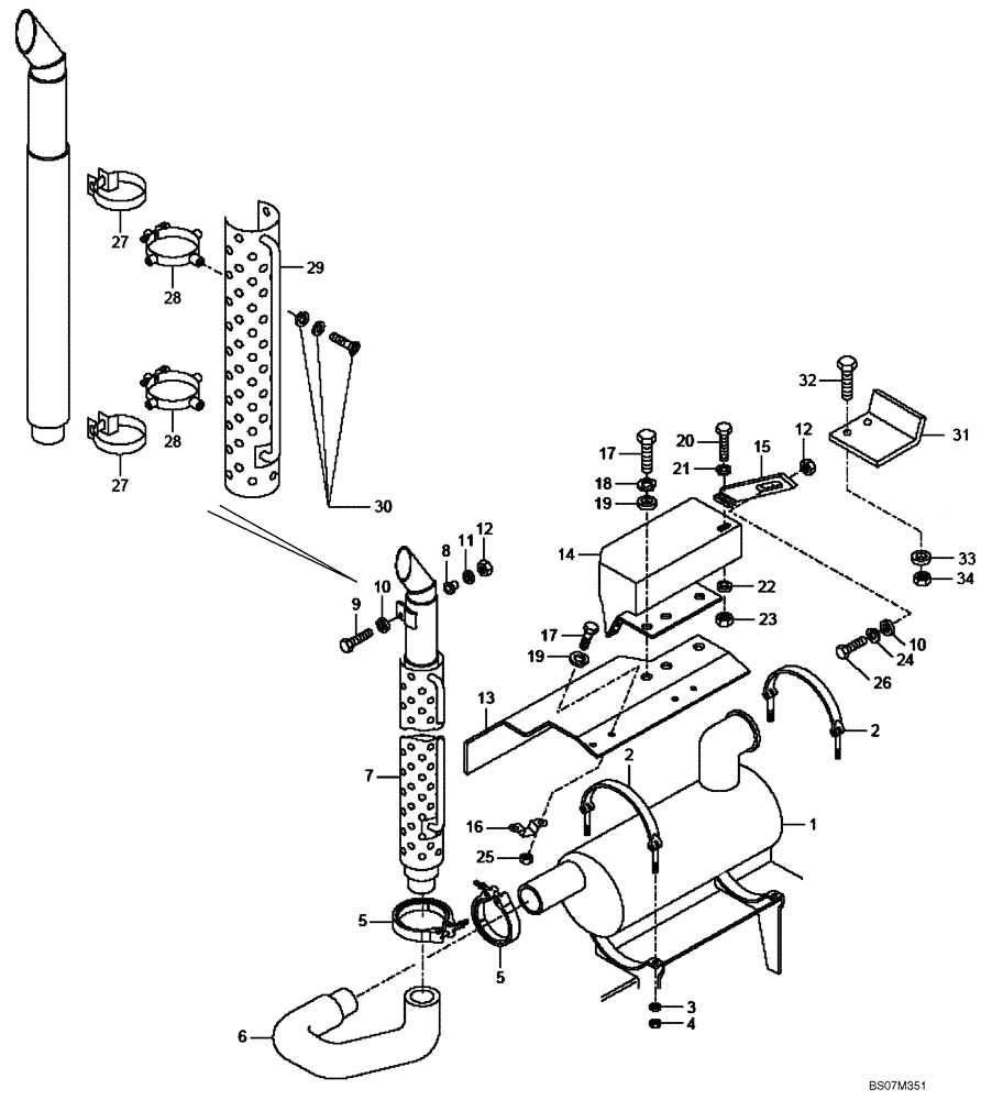
Запчасти Case 325 (0.077/1[02A]) - EXHAUST MANIFOLD (87618655) (325 NA / PIN HHD000110 AND AFTER) (01) - ENGINE

Схема запчастей Case 325 - (0.077/1[02A]) - EXHAUST MANIFOLD (87618655) (325 NA / PIN HHD000110 AND AFTER) (01) - ENGINE
2
24
8
3
6
16
11
20
5
19
23
27
10
13
1
12
22
2
14
21
30
33
4
17
7
31
25
28
10
32
29
27
5
18
12
15
28
17
26
9
34
19
FIT
1:1
100%

Артикул

Название

Примечание

Количество

1

89500417665

MUFFLER

1шт.

2

8998198296

HOSE CLIP

2шт.

3

8900956837

COLLAR

4шт.

4

8900034406

SPECIAL NUT

M10 x 1.25

4шт.

5

8900185213

COLLAR

2шт.

6

89500400112

EXHAUST SYSTEM PIPE

1шт.

7

89500400113

EXHAUST SYSTEM PIPE

See Page 0.077A 01

1шт.

8

8960320014

SPACER

2шт.

9

8900056265

BOLT

M8 x 40

2шт.

10

8900141697

WASHER

8 x 16

3шт.

11

8900956690

COLLAR

20 x 37

2шт.

12

8917152825

NUT

M8

3шт.

13

89500400122

SHIELD

1шт.

14

89500400123

SHIELD

1шт.

15

89500402343

BRACKET

1шт.

16

8960630348

BRACKET

4шт.

17

8900140610

BOLT

M6 x 20

13шт.

18

8900955275

LOCK WASHER

13шт.

19

8900955493

COLLAR

13шт.

20

8900172961

BOLT

M8 x 30

1шт.

21

8900956220

LOCK WASHER

1шт.

22

8900141697

WASHER

8 x 16

1шт.

23

8900113178

NUT

M8 x 1.25

1шт.

24

8900956220

LOCK WASHER

1шт.

25

8900124675

NUT

8шт.

26

8900172961

BOLT

M6 x 30

1шт.

27

8900131379

CLAMP

BRACKET

2шт.

28

8900131378

KNOB

COLLAR

2шт.

29

8900131381

PROTECTION PLATE

1шт.

30

8900131382

SET SCREW

1шт.

31

89500404137

SHIELD

1шт.

32

8900106597

BOLT

2шт.

33

8900955493

COLLAR

2шт.

34

8900101322

NUT

2шт.

Выбрано товаров: 34