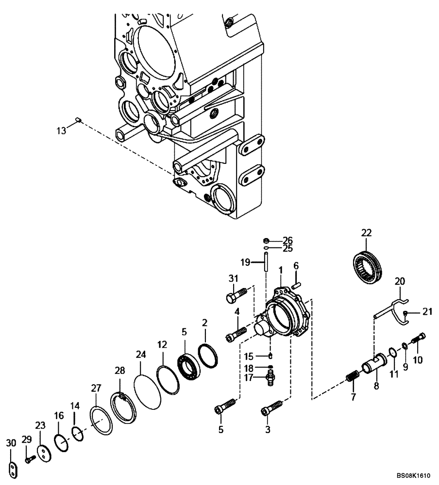
Запчасти Case 327B (18A00001007[001]) - TRANSMISSION OUTPUT (P.I.N. HHD0327BN7PG57000 AND AFTER) (84168963) (03) - Converter / Transmission

Схема запчастей Case 327B - (18A00001007[001]) - TRANSMISSION OUTPUT (P.I.N. HHD0327BN7PG57000 AND AFTER) (84168963) (03) - Converter / Transmission
10
28
30
9
5
13
9
29
15
27
22
11
19
7
26
25
5
12
24
18
21
23
4
1
14
17
8
2
31
20
3
16
FIT
1:1
100%

Артикул

Название

Примечание

Количество

REF

INSTRUCTION

Transmission Output Instal (84168963)

1шт.

1

8900126830

FLANGE

Housing

1шт.

2

8900126867

SHIM

Ring

1шт.

3

8900128996

BOLT

M10 x 25

8шт.

4

8900126833

SCREW,M10 x 65mm

M10 x 65

2шт.

5

8900126834

BOLT

M10 x 95

1шт.

6

8900126835

PIN

2шт.

7

8900125247

SPRING

1шт.

8

8900126836

PLUNGER

1шт.

9

8900126837

COLLAR

Collar Shim 0.2MM

1шт.

901

8900126838

COLLAR

Collar Shim 0.3MM

1шт.

902

8900126839

COLLAR

Collar Shim 0.4MM

1шт.

903

8900120545

SHIM

1шт.

904

8900120544

SHIM

1шт.

10

8900126840

SCREW,M10 x 20mm

M10 x 20

1шт.

11

8900036247

RING

1шт.

12

8900126815

COLLAR

Collar

1шт.

13

8900126841

PLUG

1шт.

14

898513H1

O-RING

1шт.

15

8900126842

INSERT

1шт.

16

387471A1

WASHER

0.5

2шт.

1601

387473A1

WASHER

1.0

2шт.

1602

387474A1

WASHER

1.5

2шт.

1603

387475A1

WASHER

2.0

2шт.

17

8900111337

SWITCH

1шт.

18

8603216

O-RING,2mm Thk x 15mm ID

15 x 2

1шт.

19

8900126845

PIN

1шт.

20

8900128998

YOKE

Fork

1шт.

21

8963100059

SLIDING PAD

2шт.

22

8900126847

GEAR

1шт.

23

S301893

WASHER

2шт.

24

8900125262

SHIM

1.8MM

1шт.

2401

8900125263

SHIM

1.5MM

1шт.

2402

8900125264

SHIM

1.6MM

1шт.

2403

8900125265

SHIM

1.7MM

1шт.

2404

8900125266

SHIM

0.2MM

1шт.

2405

8900125267

SHIM

0.3MM

1шт.

2406

8900125268

SHIM

0.5MM

1шт.

2407

8900125269

SHIM

1.1MM

1шт.

2408

8900125270

SHIM

1.3MM

1шт.

2409

8900125271

SHIM

1.2MM

1шт.

2410

8900125272

SHIM

1.4MM

1шт.

2411

8900125273

SHIM

1.0MM

1шт.

2412

8900126816

SHIM

1.15MM

1шт.

2413

8900126817

SHIM

1.45MM

1шт.

2414

8900126818

SHIM

1.55MM

1шт.

2415

8900126819

SHIM

1.05MM

1шт.

2416

8900126820

SHIM

1.25MM

1шт.

2417

8900126821

SHIM

1.35MM

1шт.

25

8900126850

CIRCLIP

Ring

1шт.

26

8900126851

PLUG

1шт.

27

8900126822

OIL SEAL

Oil

1шт.

28

8963100503

SNAP RING

Ring Retaining

1шт.

29

8900126824

BOLT

M10 x 35

4шт.

30

8603212

WASHER

Tab

2шт.

31

8900115971

BOLT

M10 x 55

2шт.

32

8900126814

BEARING

1шт.

Выбрано товаров: 57