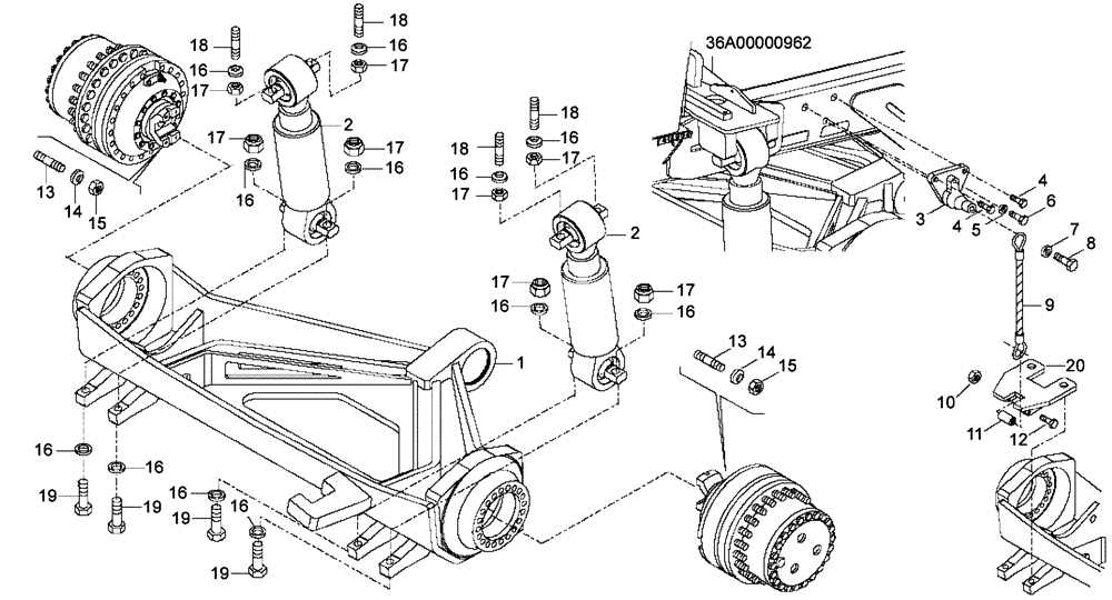
Запчасти Case 327B (38A00000659[001]) - SUSPENSION INSTALL, FRONT (87535990) (09) - Implement / Hydraulics / Frame / Brakes

Схема запчастей Case 327B - (38A00000659[001]) - SUSPENSION INSTALL, FRONT (87535990) (09) - Implement / Hydraulics / Frame / Brakes
18
17
16
18
16
16
18
17
13
4
16
19
2
17
18
12
16
16
5
16
15
20
17
16
16
2
11
16
14
13
3
19
9
14
17
17
16
17
1
6
19
10
17
4
15
7
19
8
16
FIT
1:1
100%

Артикул

Название

Примечание

Количество

1

89500423536

FRAME

If Used: No Longer Available; Replaced 89500421517 Front Axle Frame; Replaced 89500415167 Front Axle Frame

1шт.

1

89500423546

FRAME

Structural Shape Changed From Axle Area to Main Pivot; Not Illustrated

1шт.

2

89500431196

CYLINDER,Double Acting, 100mm Rod, 120mm Stroke

Assy; Replaces 89500415397 Cylinder Assy

2шт.

REF

INSTRUCTION

See Figure 38D00000018 (001) For Service Breakdown

1шт.

3

8900107798

SUPPORT

2шт.

4

8900135062

SCREW,M14 x 40mm

M14 x 40

4шт.

5

8900102292

SPRING WASHER

2шт.

6

8916695924

BOLT,M14 x 50mm

M14 x 50

2шт.

7

8900107799

COLLAR

2шт.

8

8916681535

BOLT

M14 x 50

2шт.

9

8900172819

METAL ROPE

Replaces 8900157146 Cable Rope Used On Some Models

2шт.

10

8900125788

LOCK NUT

2шт.

11

89500401240

SPACER

Replaces 89500408840 Washer Used On Some Models

2шт.

12

8916618124

BOLT

STUD, M20 x 120; Replaces 8900100885 Stud M20 x 110 Used On Some Models; Replaced 89500419263 Stud M20 x 90 Used On Some Models

2шт.

13

89500420580

STUD

M22 x 110; Replaces 89500419263 Stud Used On Some Models

32шт.

14

8917092974

WASHER

32шт.

15

89500419259

NUT

32шт.

16

8917093274

WASHER

Qty Was 12

12-14шт.

17

8917156531

NUT

8шт.

18

89500402625

STUD

4шт.

19

89500421948

BOLT

Replaces 8900418675 Bolt Used On Some Models

4шт.

20

89500421315

BRACKET

If Used

2шт.

Выбрано товаров: 22