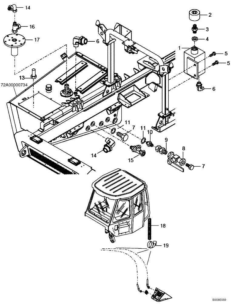
Запчасти Case 327B (43A00030853[001]) - SEPARATOR, STEERING HYDRAULICS (87488044) (09) - Implement / Hydraulics / Frame / Brakes

Схема запчастей Case 327B - (43A00030853[001]) - SEPARATOR, STEERING HYDRAULICS (87488044) (09) - Implement / Hydraulics / Frame / Brakes
7
11
72a00000734
4
16
15
6
3
9
1
13
17
2
5
18
6
19
14
8
11
14
10
7
5
FIT
1:1
100%

Артикул

Название

Примечание

Количество

1

89500418735

SEPARATOR

1шт.

2

89500420667

BREATHER

1шт.

3

89500420669

REDUCER FITTING

1шт.

4

99489019

SEALING WASHER

1шт.

5

8900116549

BOLT

M8 x 20

2шт.

6

8900117283

HYD CONNECTOR

ELBOW

2шт.

7

89500402852

PLUG

CAP

2шт.

8

89500406175

COCK

VALVE

1шт.

9

89500408591

HYD CONNECTOR

1шт.

10

89500403696

HYD CONNECTOR

1шт.

11

89500402441

GASKET

2шт.

13

89500382599

SENSOR

Temp

1шт.

14

89500409067

CONNECTION

ELBOW

1шт.

15

89500420553

TEE

CONNECTOR

1шт.

16

89500426597

HYD CONNECTOR

TEE

1шт.

17

89500420957

FLANGE

1шт.

18

89500427734

SPRING

1шт.

19

89500427842

SECURING STRAP

5шт.

Выбрано товаров: 18