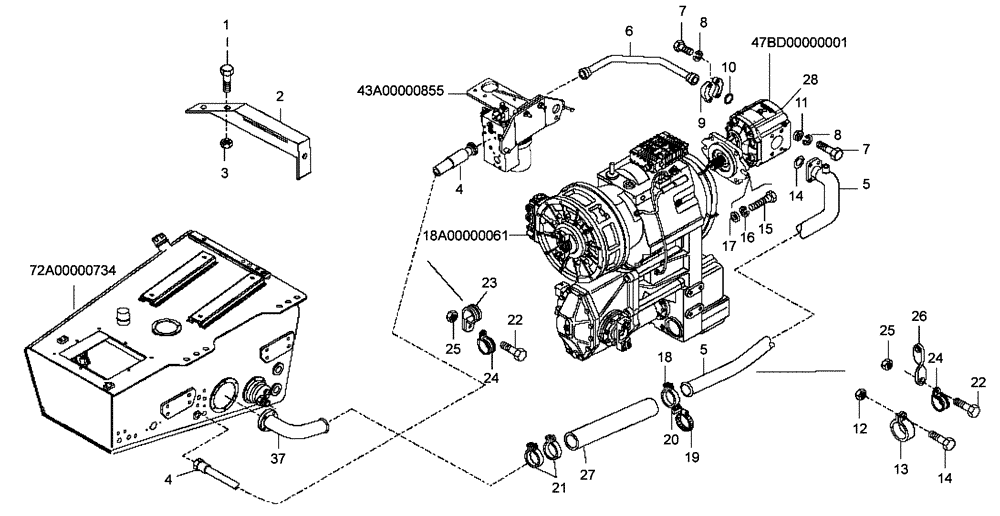
Запчасти Case 327B (43A01010802[001]) - PUMP / HYDRAULIC STEERING CIRCUIT (87580439) (09) - Implement / Hydraulics / Frame / Brakes

Схема запчастей Case 327B - (43A01010802[001]) - PUMP / HYDRAULIC STEERING CIRCUIT (87580439) (09) - Implement / Hydraulics / Frame / Brakes
14
25
8
22
5
25
24
4
23
10
21
4
17
26
16
13
7
6
37
9
28
22
3
14
7
18
2
5
1
8
12
15
19
11
20
24
27
FIT
1:1
100%

Артикул

Название

Примечание

Количество

1

8900115589

BOLT

3шт.

2

89500420000

BRACKET

1шт.

3

8900140777

NUT

3шт.

4

89500417339

HOSE ASSY.

1шт.

5

89500414611

TUBE,695, 500 mm L

1шт.

6

89500415500

TUBE,42 mm DIA

1шт.

7

8900003227

BOLT,M12 x 1.75 x 40mm

8шт.

8

8900040256

COLLAR

8шт.

9

8900191135

FLANGE

2шт.

10

8900125073

SEALING RING

SEALRING

1шт.

11

89500400134

GASKET

1шт.

12

8900140777

NUT

3шт.

13

8901120894

CLAMP

1шт.

14

8900115589

BOLT

3шт.

15

8900102200

BOLT,M14 x 40mm

4шт.

16

8900001834

WASHER

4шт.

17

8900102292

SPRING WASHER

4шт.

18

8918089094

CLAMP

1шт.

19

8918088694

CLAMP

1шт.

20

8900191758

CUSHION

1шт.

21

8900125076

HOSE CLIP

2шт.

22

8900116549

BOLT

3шт.

23

89500419541

CLAMP

1шт.

24

8900102897

COLLAR

2шт.

25

8900115122

NUT

3шт.

26

89500419491

BRACKET

1шт.

27

89500417334

HOSE ASSY.

1шт.

28

89500409411

HYDRAULIC PUMP

1шт.

Выбрано товаров: 28