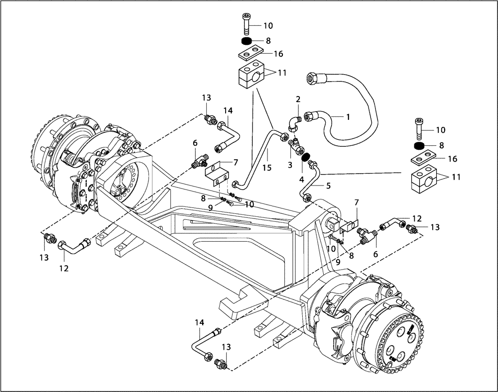
Запчасти Case 327B (47A00001940[001]) - HYDRAULIC LINES, FRONT DRIVE AXLE W/DRY BRAKE (87399200) (09) - Implement / Hydraulics / Frame / Brakes

Схема запчастей Case 327B - (47A00001940[001]) - HYDRAULIC LINES, FRONT DRIVE AXLE W/DRY BRAKE (87399200) (09) - Implement / Hydraulics / Frame / Brakes
9
6
2
7
10
8
12
6
4
15
13
13
5
10
9
14
12
3
11
8
7
10
1
10
8
13
14
16
8
16
13
11
FIT
1:1
100%

Артикул

Название

Примечание

Количество

1

89500418183

HOSE ASSY.

1шт.

2

89500406108

CONNECTION

1шт.

3

89500409363

CONNECTION

1шт.

4

8917278189

SEALING RING

1шт.

5

89500418083

TUBE,1.5 mm DIA x 12 mm L

1шт.

6

89500408781

CONNECTION

2шт.

7

89500414314

BRACKET

2шт.

8

8900955275

LOCK WASHER

10шт.

9

8900140731

WASHER

4шт.

10

8900140610

BOLT

M6 x 20

10шт.

11

8900108841

COLLAR

3шт.

12

89500418085

TUBE,1.5 mm DIA x 12 mm L

2шт.

13

89500424283

HYD CONNECTOR

Replaces 89500413864 Connector, Hyd

4шт.

14

89500418084

TUBE,1.5 mm DIA x 12 mm L

2шт.

15

89500418086

TUBE,1.5 mm DIA x 12 mm L

1шт.

16

89500407422

PLATE

3шт.

Выбрано товаров: 16