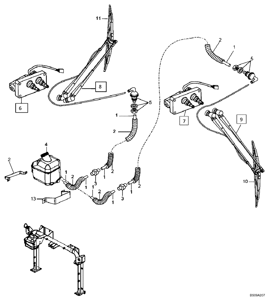
Запчасти Case 327B (53A00000583[001]) - SIDE WASHER / WIPER ASSY, CAB (P.I.N. HHD0327BN7PG57000 AND AFTER) (84189057) (10) - Cab/Cowlings

Схема запчастей Case 327B - (53A00000583[001]) - SIDE WASHER / WIPER ASSY, CAB (P.I.N. HHD0327BN7PG57000 AND AFTER) (84189057) (10) - Cab/Cowlings
8
1
1
1
2
11
1
1
13
2
2
5
2
5
3
1
4
9
2
3
2
2
1
6
1
10
7
FIT
1:1
100%

Артикул

Название

Примечание

Количество

REF

INSTRUCTION

Side Washer / Wiper Assy, Cab (84189057)

1шт.

1

8900095169

HOSE

1шт.

2

8900095153

FLEXIBLE SHEATH

1шт.

3

8900195432

HYDRAULIC VALVE

2шт.

4

8900195431

RESERVOIR, WINDSHIEL

Chamber Float

1шт.

5

8900127250

HYD CONNECTOR

1шт.

6

8900127246

WIPER MOTOR

RH

1шт.

7

8900127245

WIPER MOTOR

LH

1шт.

8

8900128936

ARM

RH

1шт.

9

8900128937

ARM

LH

1шт.

10

8900128938

WIPER BLADE

1шт.

11

8900128938

WIPER BLADE

1шт.

12

8900113951

BRACKET

1шт.

13

8900174974

SUPPORT

1шт.

Выбрано товаров: 14