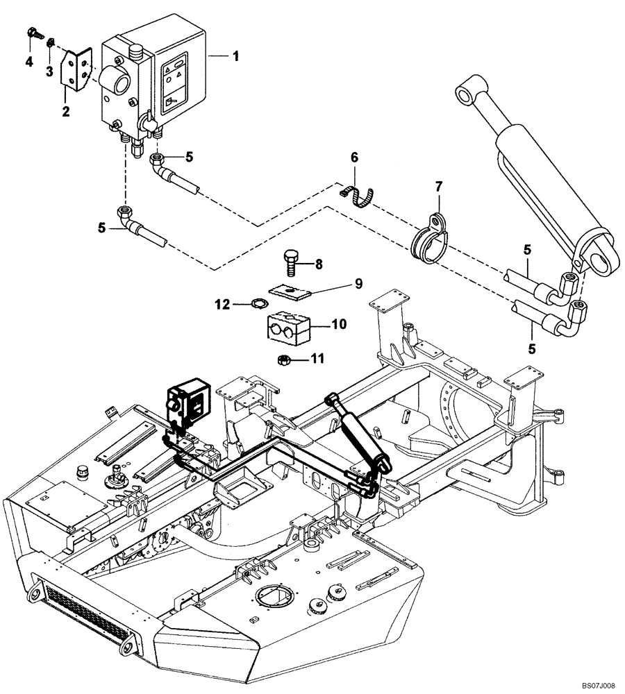
Запчасти Case 327B (59A00000538[001]) - CAB TILT - HYDRAULICS (87518121) (10) - Cab/Cowlings

Схема запчастей Case 327B - (59A00000538[001]) - CAB TILT - HYDRAULICS (87518121) (10) - Cab/Cowlings
5
2
9
5
8
11
10
7
5
5
4
1
6
3
12
FIT
1:1
100%

Артикул

Название

Примечание

Количество

1

89500430618

PUMP

Cab And Hood Tilt; Replaces 89504173050 Pump, Electric And 8900127535 Pump Used On Some Models

1шт.

2

89500426170

BRACKET

Replaces 89500418210 Bracket

1шт.

3

8900001049

LOCK WASHER

Replaces 890097575 Washer

2шт.

4

8900001821

BOLT

M10 x 20

2шт.

5

89500416756

HOSE

2шт.

6

8900150511

COLLAR

10шт.

7

8900102897

COLLAR

1шт.

8

8900115121

BOLT,M8 x 40mm

M8 x 40; If Used

1шт.

9

8900108896

CLAMP

PLATE: If Used

1шт.

10

8900108875

CLAMP

CLAMP INSERT, If Used

2шт.

11

89500407417

NUT

If Used

1шт.

12

89500407418

GASKET

If Used

1шт.

Выбрано товаров: 12