Запчасти Case 327B (59A00040541[001]) - HOOD INSTAL (84127448) (10) - Cab/Cowlings

Схема запчастей Case 327B - (59A00040541[001]) - HOOD INSTAL (84127448) (10) - Cab/Cowlings
19
14
23
39
13
6
35
41
13
31
44
4
17
20
28
26
29
2
40
43
27
36
20
18
21
15
1
16
46
3
23
34
29
15
28
45
33
3
14
16
7
9
16
5
37
32
20
6
28
16
7
8
4
2
10
28
23
5
30
47
24
42
38
22
FIT
1:1
100%

Артикул

Название

Примечание

Количество

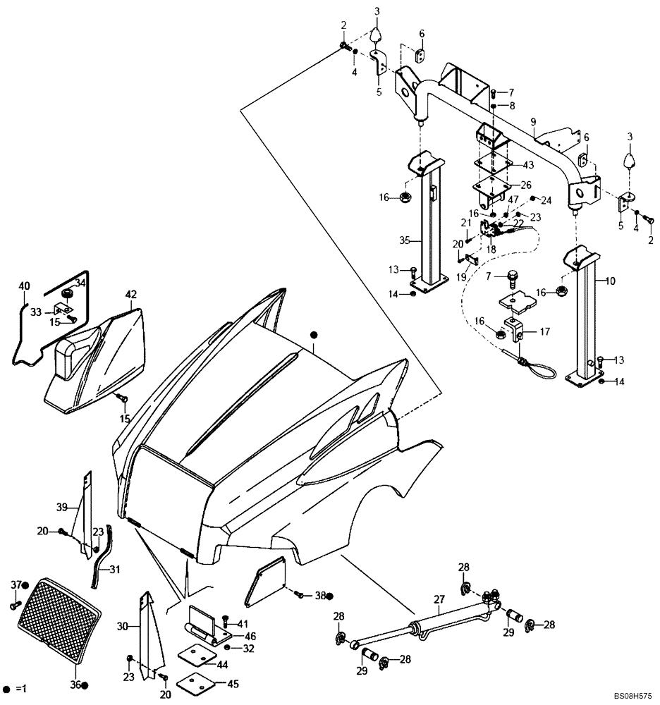
1

89500419226

ENGINE HOOD

1шт.

2

8900115121

BOLT,M8 x 40mm

M8 x 40

4шт.

3

8900152133

PAD

Stop

2шт.

4

8900954554

WASHER

Bevel

4шт.

5

89500409096

BRACKET

2шт.

6

89500409097

PLATE

2шт.

7

8900115555

BOLT,M8 x 30mm

M8 x 30

5шт.

8

8916889604

WASHER

Flat

8шт.

9

89500416957

CROSSMEMBER

1шт.

10

89500416955

SUPPORT

1шт.

13

8900140777

NUT

8шт.

14

8900124669

BOLT

M10 x 40

8шт.

15

8916586424

BOLT,M8 x 25mm

M8 x 25

6шт.

16

8900115122

NUT

S.L.

7шт.

17

89500411173

BRACKET

1шт.

18

89500404966

LATCH ASSY.

W/Cable

1шт.

19

89500404925

BRACKET

1шт.

20

8900100380

BOLT

M5 x 20

2шт.

21

8900010081

BOLT

M10 x 1.5 x 60

3шт.

22

8900002738

WASHER

Flat

4шт.

23

8900012607

NUT

S.L.

2шт.

24

8900025351

NUT

S.L.

3шт.

26

89500419233

SUPPORT

1шт.

27

89504172828

CYLINDER,Double Acting, 25mm Rod, 512mm Stroke

Hood Tilt

1шт.

28

8900114227

CIRCLIP

4шт.

29

89500408990

PIN

2шт.

30

89500420702

BULKHEAD

LH

1шт.

31

8998196852

GASKET

1шт.

32

8900140777

NUT

6шт.

33

89500424306

BRACKET

1шт.

34

89500419868

GROMMET

2шт.

35

89500416953

SUPPORT

1шт.

36

8900134934

GRILLE

1шт.

37

8900127112

SCREW,Rd, M6 x 20mm

RD Head M6 x 30

6шт.

38

8916586024

SCREW,M6 x 30mm

Flange HD M6 x 30

4шт.

39

89500420703

BULKHEAD

RH

1шт.

40

89500419867

GASKET

1шт.

41

8917345224

SCREW,M10 x 30mm

M10 x 30

6шт.

42

89500424307

COVER

Cheek

1шт.

43

89500420775

SHIM

1шт.

44

89500423539

SHIM

2шт.

45

89500423540

SHIM

2шт.

46

8998340811

HINGE

2шт.

47

8900104491

WASHER

6шт.

Выбрано товаров: 44