Качественные детали и логистика
Оригинальные и аналоговые запчасти с доставкой по России, Казахстану и Беларуси
©2022 PartSell ООО "Система" ИНН 2463123282 ОГРН 1212400004838
Центральный офис: г. Красноярск, Академика Киренского, д.87, пом.4
Телефон: 8 (800) 777-65-74 Email: zakaz@partsell.ru
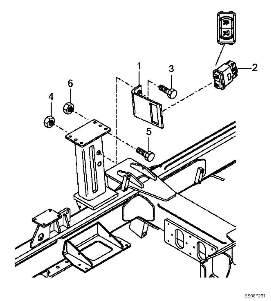
(67A00011678[001]) - SWITCH, HOOD TILT (87490831)
№
Артикул
Название
Примечание
Количество
1
89500419002
BRACKET
1шт.
2
89500415235
SWITCH
Hood Tilt
3
8900115555
BOLT,M8 x 30mm
M8 x 30
2шт.
4
8900115122
NUT
S.L.
5
8900124628
BOLT
M6 x 20
6
8900125009
Выбрано товаров: 0