Запчасти Case 327B (67A00012014[001]) - ELECTRICAL GROUND AND CLAMPING (P.I.N. HHD0327BN7PG57000 AND AFTER) (84174145) (13) - Electrical System / Decals

Схема запчастей Case 327B - (67A00012014[001]) - ELECTRICAL GROUND AND CLAMPING (P.I.N. HHD0327BN7PG57000 AND AFTER) (84174145) (13) - Electrical System / Decals
2
5
8
12
21
11
9
29
22
5
18
2
17
10
6
20
3
31
25
7
11
16
1
27
9
14
30
28
4
11
26
9
13
6
7
23
19
12
67a00001646
15
24
7
7
FIT
1:1
100%

Артикул

Название

Примечание

Количество

REF

INSTRUCTION

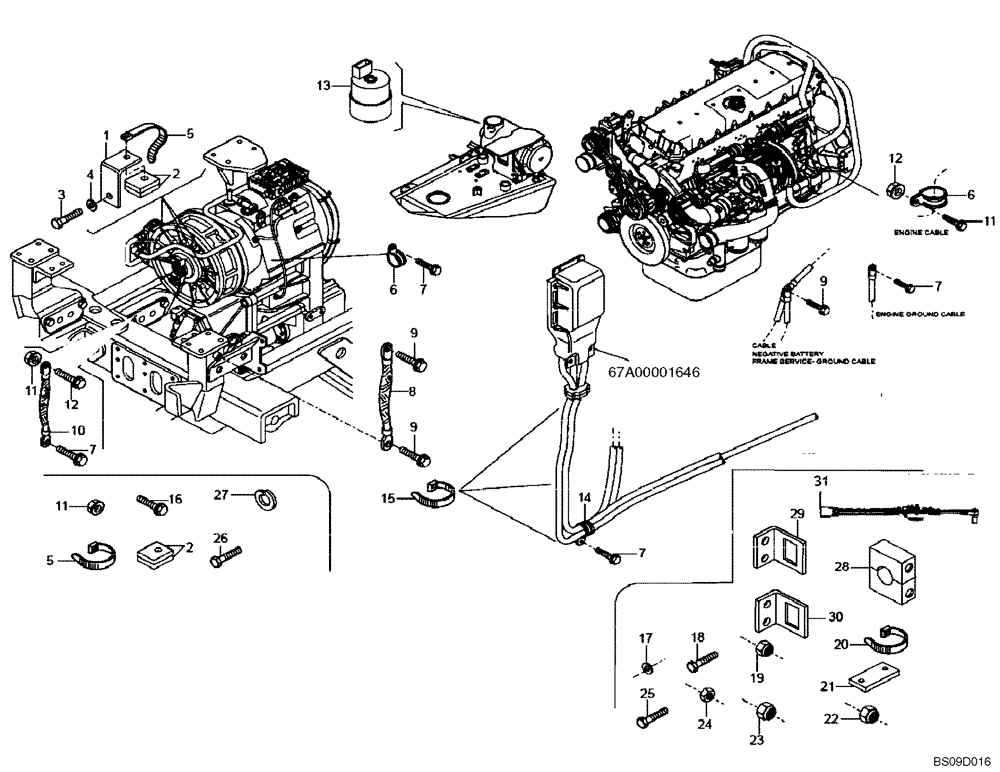
Electrical Ground And Clamping (84174145)

1шт.

1

8900174917

SUPPORT

3шт.

2

8900150391

PAD

6шт.

3

8900006132

BOLT,M16 x 1.5 x 35mm

M16 x 1.5 x 35

3шт.

4

8917095714

COLLAR

3шт.

5

8900150511

COLLAR

Strap Band

1шт.

6

8900049243

COLLAR

Strap Band; Qty Was 5

2-5шт.

7

8900121098

BOLT,M8 x 16mm

M8 x 16

24шт.

8

8900189059

CABLE

1шт.

9

8900121586

SCREW,M12 x 25mm

M12 x 25

3шт.

10

89500401259

CABLE

Ground

1шт.

11

8900115555

BOLT,M8 x 30mm

M8 x 30; Qty Was 6

2-6шт.

12

8900115122

NUT

S.L.; Qty Was 5

3-5шт.

13

89500411620

INDICATOR

Air Cleaner Restriction

1шт.

14

8900105517

COLLAR

Strap Band; Qty Was 11

5-11шт.

15

8900045763

STRAP

Band; Qty Was 40

10-40шт.

16

8900119991

BOLT

M5 x 16

6шт.

17

89500407418

GASKET

4шт.

18

8900012143

BOLT,M6 x 55mm

M6 x 55

6шт.

19

8900118202

NUT

1шт.

20

8900163658

COLLAR

Strap Band

10шт.

21

89500407425

PLATE

Qty Was 3

2-3шт.

22

8900108842

NUT

Qty Was 5

4-5шт.

23

8900140777

NUT

2шт.

24

8900049208

NUT

2шт.

25

8900125022

SCREW,M5 x 10mm

Round Head M5 x 10

8шт.

26

8900035150

BOLT

M8 x 12

3шт.

27

8900002078

LOCK WASHER

6шт.

28

89500408035

COLLAR

Clamp; Qty Was 5

2-5шт.

29

89500433828

BRACKET

1шт.

30

89500419002

BRACKET

1шт.

31

89504073082

SENSOR

SENSOR

1шт.

Выбрано товаров: 32