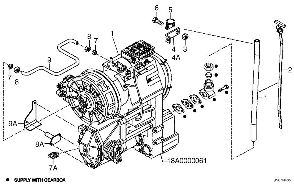
Запчасти Case 327B (16A00000546[001]) - DIPSTICK, GEARBOX (87517032) (03) - Converter / Transmission

Схема запчастей Case 327B - (16A00000546[001]) - DIPSTICK, GEARBOX (87517032) (03) - Converter / Transmission
2
9
8a
1
3
9a
8
7a
7
4a
1
18a0000061
8
6
4
7
5
FIT
1:1
100%

Артикул

Название

Примечание

Количество

1

89500418237

PIPE

1шт.

2

89500418239

DIPSTICK

1шт.

3

8900115122

NUT

1шт.

4

89500407963

SUPPORT

If Used; Right Angle Bracket 5MM Thick x 40 Wide x 110 Long (2) Holes One 9MM in Dia Located 15MM In From The Long End, One 11MM In Dia Located 12MM In From The Short End

1шт.

4a

89500419812

BRACKET

If Used

1шт.

5

8900105517

COLLAR

1шт.

6

8900116549

BOLT

M8 x 20

1шт.

7

8900169804

SLEEVE

SLEEVE,TWO CONE: If Used

2шт.

7a

8900122909

SWITCH

Differential Lock; If Used

1шт.

8

8900169803

NUT

If Used

2шт.

8a

89500423128

SUPPORT

If Used

1шт.

9

89500407578

PIPE

If Used

1шт.

9a

89500423129

SHIELD

If Used

1шт.

Выбрано товаров: 13