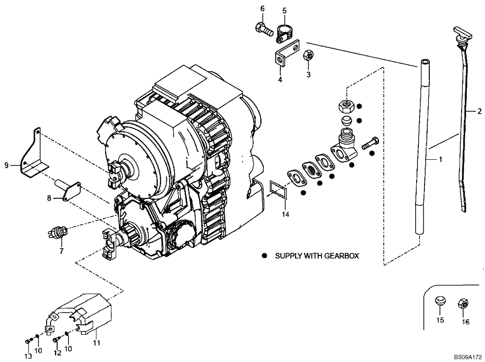
Запчасти Case 327B (16A00000567[001]) - DIPSTICK, GEARBOX (P.I.N. HHD0327BN7PG57000 AND AFTER) (84152669) (03) - Converter / Transmission

Схема запчастей Case 327B - (16A00000567[001]) - DIPSTICK, GEARBOX (P.I.N. HHD0327BN7PG57000 AND AFTER) (84152669) (03) - Converter / Transmission
15
14
3
1
9
16
2
8
7
4
10
5
12
11
13
10
6
FIT
1:1
100%

Артикул

Название

Примечание

Количество

REF

INSTRUCTION

Transmission Dip Stick (84152669)

1шт.

1

89500418237

PIPE

1шт.

2

89500433797

DIPSTICK

Transmission Oil

1шт.

3

8900115122

NUT

S.L.

1шт.

4

89500419812

BRACKET

1шт.

5

8900105517

COLLAR

Strap Band

1шт.

6

8900116549

BOLT

M8 x 20

4шт.

7

8900122909

SWITCH

Differential Lock

1шт.

8

89500423128

SUPPORT

1шт.

9

89500423129

SHIELD

If Used

1шт.

10

8900141413

WASHER

If Used

4шт.

11

89500407041

SHIELD

If Used

1шт.

12

8900010081

BOLT

M10 x 1.5 x 60; If Used

2шт.

13

8900005670

BOLT

M10 x 70; If Used

2шт.

14

8900056069

RING

If Used

1шт.

15

8900169804

SLEEVE

Sleeve, Two-Cone; If Used

2шт.

16

8900169803

NUT

If Used

2шт.

Выбрано товаров: 17