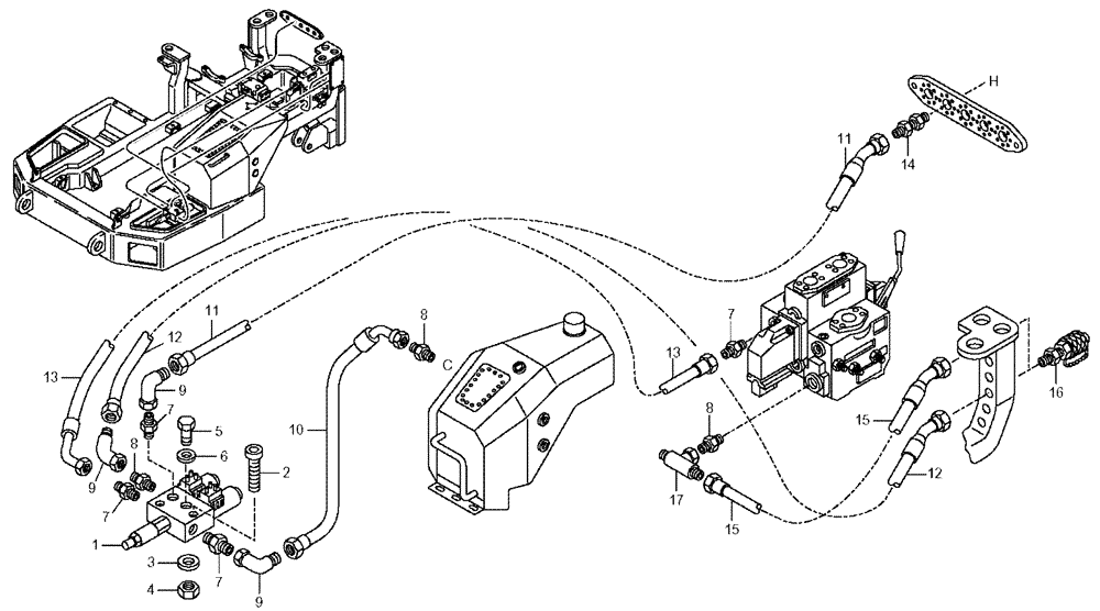
Запчасти Case 330 (40A01010205[02]) - HYDRAULIC CIRCUIT - DIFFERENTIAL LOCKING (09) - Implement / Hydraulics / Frame / Brakes

Схема запчастей Case 330 - (40A01010205[02]) - HYDRAULIC CIRCUIT - DIFFERENTIAL LOCKING (09) - Implement / Hydraulics / Frame / Brakes
11
3
7
15
8
16
13
9
13
7
1
7
4
9
2
12
5
8
9
7
12
14
11
10
17
15
8
6
FIT
1:1
100%

Артикул

Название

Примечание

Количество

1

8960700029

HYDRAULIC VALVE

1шт.

2

8900958176

BOLT

2шт.

3

8900141697

WASHER

2шт.

4

8917152825

NUT

2шт.

5

8998198028

PLUG

1шт.

6

8900155426

GASKET

1шт.

7

8900191066

HYD CONNECTOR

3шт.

8

8900191014

HYD CONNECTOR

1шт.

9

8900191117

HYD CONNECTOR

1шт.

10

8998198384

PIPE

1шт.

11

8998198381

PIPE

1шт.

12

8998198383

PIPE

1шт.

13

8998198380

PIPE

1шт.

14

89500404280

HYD CONNECTOR

1шт.

15

8998198389

PIPE

1шт.

16

8900189997

HYD CONNECTOR

2шт.

17

8900193938

HYD CONNECTOR

1шт.

Выбрано товаров: 17