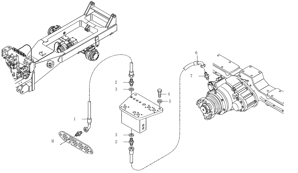
Запчасти Case 330 (40A01010210[01]) - HYDRAULIC CIRCUIT - DIFFERENTIAL LOCKING (09) - Implement / Hydraulics / Frame / Brakes

Схема запчастей Case 330 - (40A01010210[01]) - HYDRAULIC CIRCUIT - DIFFERENTIAL LOCKING (09) - Implement / Hydraulics / Frame / Brakes
h
4
5
7
2
3
3
6
2
1
FIT
1:1
100%

Артикул

Название

Примечание

Количество

1

8900190989

FLEXIBLE HOSE

1шт.

2

8900191009

HYD CONNECTOR

2шт.

3

8998198017

COPPER WASHER

2шт.

4

8900125704

BOLT

4шт.

5

8900001049

LOCK WASHER

4шт.

6

8900195641

FLEXIBLE HOSE

1шт.

7

8900191101

HYD CONNECTOR

1шт.

Выбрано товаров: 7