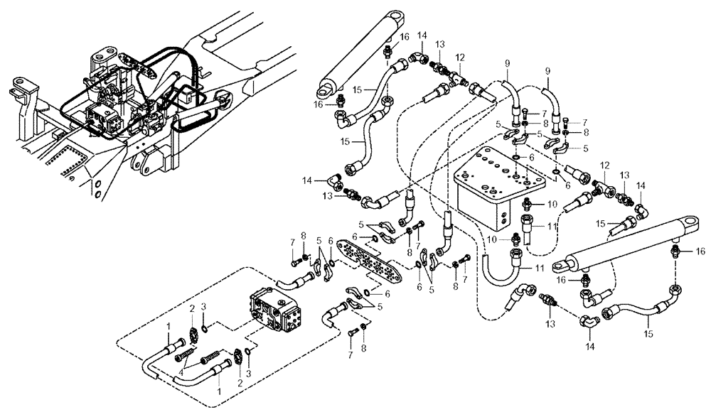
Запчасти Case 330 (43A03010773[01]) - STEERING SYSTEM - HYDRAULIC CIRCUIT (09) - Implement / Hydraulics / Frame / Brakes

Схема запчастей Case 330 - (43A03010773[01]) - STEERING SYSTEM - HYDRAULIC CIRCUIT (09) - Implement / Hydraulics / Frame / Brakes
9
8
16
11
6
11
15
6
2
6
13
16
12
14
1
7
13
16
13
6
10
7
3
3
13
8
14
8
12
14
16
14
5
4
7
8
1
9
5
7
8
2
6
8
5
15
15
7
5
10
5
5
7
6
15
FIT
1:1
100%

Артикул

Название

Примечание

Количество

1

8900193439

PIPE

2шт.

2

8900191086

ADAPTER

2шт.

3

8900011009

SEALING RING

SEALRING

2шт.

4

8900190248

BOLT

3/8" UNC x 1 3/8"

8шт.

5

8900191134

FLANGE

12шт.

6

8900005743

SEALING RING

SEALRING

6шт.

7

8900103551

BOLT

M8 x 30

24шт.

8

8900956220

LOCK WASHER

24шт.

9

8900190960

FLEXIBLE HOSE

2шт.

10

8900191010

HYD CONNECTOR

2шт.

11

8900190991

FLEXIBLE HOSE

2шт.

12

8900192526

HYD CONNECTOR

2шт.

13

8900191093

HYD CONNECTOR

4шт.

14

8900191173

HYD CONNECTOR

4шт.

15

8900190997

FLEXIBLE HOSE

4шт.

16

8960750121

HYD CONNECTOR

4шт.

Выбрано товаров: 16