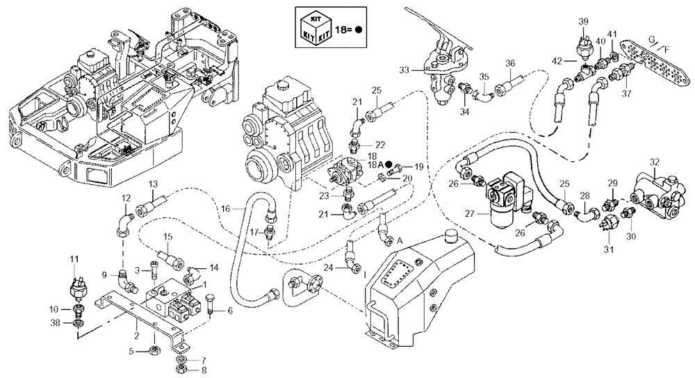
Запчасти Case 330 (47A00011515[01]) - HYDRAULIC CIRCUIT BRAKE SYSTEM - FRAME PART (09) - Implement / Hydraulics / Frame / Brakes

Схема запчастей Case 330 - (47A00011515[01]) - HYDRAULIC CIRCUIT BRAKE SYSTEM - FRAME PART (09) - Implement / Hydraulics / Frame / Brakes
18
25
34
27
26
32
16
24
13
10
29
2
18
35
17
1
14
6
25
37
7
5
33
11
15
26
40
21
30
38
9
42
12
22
8
19
3
28
36
18a
23
20
21
18
39
41
31
FIT
1:1
100%

Артикул

Название

Примечание

Количество

1

89500401686

HYDRAULIC VALVE

1шт.

2

8998198425

PLATE

1шт.

3

8900107974

BOLT

M6 x 60

2шт.

5

8900125009

NUT

M6

2шт.

6

8900172961

BOLT

M8 x 30

2шт.

7

8900145012

COLLAR

2шт.

8

8917152825

NUT

M8

2шт.

9

8998198049

HYD CONNECTOR

1шт.

10

89500401683

HYD CONNECTOR

1шт.

11

8998198349

SWITCH

1шт.

12

8900191117

HYD CONNECTOR

1шт.

13

8998198381

PIPE

1шт.

14

8998199752

SWIVEL CONNECTION

1шт.

15

8998198385

SWIVEL CONNECTION

1шт.

16

8998198624

PIPE

1шт.

17

8998198626

SWIVEL CONNECTION

1шт.

18

8900194285

HYDRAULIC PUMP

1шт.

Consist of ref. : 18A, See Your Nearest Cummins Engine Dealer For the External Pump Support, Toothed Gear, Bearing, Bushing, Bolts, O-Ring, and Gasket Used To Mount This Pump

1шт.

18a

8900133883

SEAL KIT

1шт.

19

8900001048

BOLT

M10 x 1.5 x 30

2шт.

20

8900001049

LOCK WASHER

2шт.

21

8960750228

HYD CONNECTOR

2шт.

22

8900191171

HYD CONNECTOR

1шт.

23

8900194341

SWIVEL CONNECTION

1шт.

24

8998198625

PIPE

1шт.

25

8998198393

PIPE

2шт.

26

8900191069

HYD CONNECTOR

2шт.

27

8998198295

HYDRAULIC OIL FILTER

1шт.

See Page : 47D00000003

1шт.

28

8900191124

HYD CONNECTOR

1шт.

29

8900193939

HYD CONNECTOR

1шт.

30

89500400140

SWIVEL CONNECTION

1шт.

31

8900194425

PRESSURE SWITCH

1шт.

32

8960700359

HYDRAULIC VALVE

1шт.

33

8998196976

VALVE

1шт.

See Page : 47B00000015

1шт.

34

8900193942

HYD CONNECTOR

1шт.

35

8900191126

SWIVEL CONNECTION

1шт.

36

8900193889

FLEXIBLE HOSE

1шт.

37

89500404280

HYD CONNECTOR

1шт.

38

8998198375

SWITCH

1шт.

39

8900194425

PRESSURE SWITCH

Brake

1шт.

40

89500403209

HYD CONNECTOR

1шт.

41

8998198017

COPPER WASHER

1шт.

42

8998198278

SWIVEL CONNECTION

1шт.

Выбрано товаров: 45