Запчасти Case 330 (02A01020582[01]) - ENGINE - ACCESSORIES (01) - ENGINE

Схема запчастей Case 330 - (02A01020582[01]) - ENGINE - ACCESSORIES (01) - ENGINE
10
7
3
1
2
9
11
5
12
14
4
2
1
6
13
15
FIT
1:1
100%

Артикул

Название

Примечание

Количество

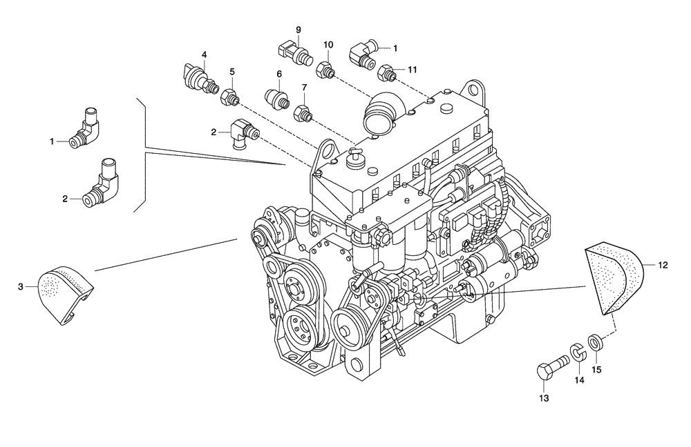
1

89500401755

HYD CONNECTOR

2шт.

2

89500401138

HYD CONNECTOR

2шт.

3

89500421504

SHIELD

Replaces 89500407880 Used on Some Models

1шт.

4

8900124126

TRANSMITTER

Engine Oil Pressure Gauge

1шт.

5

8900195386

ADAPTER

1шт.

6

8900955225

PRESSURE SWITCH

0.6-0.9 Bar, Engine Pressure Warning Light

1шт.

7

8900195389

ADAPTER

1шт.

8

8900042636

COPPER SEAL

1шт.

9

8900140124

TRANSMITTER

1шт.

10

8900195391

ADAPTER

1шт.

11

89500401758

HYD CONNECTOR

1шт.

12

89500421505

SHIELD

Replaces 89500407881 Used On Some Models

1шт.

13

8900172961

BOLT

M8 x 30

2шт.

14

8900956224

COLLAR

2шт.

15

8900141697

WASHER

2шт.

Выбрано товаров: 15