Запчасти Case 330 (51A00021115[02]) - ROPS CAB - ELECTRICAL EXTERNAL DRIVING MIRRORS - OPTIONAL (87442835) (PIN HHD000243 AND AFTER) (10) - Cab/Cowlings

Схема запчастей Case 330 - (51A00021115[02]) - ROPS CAB - ELECTRICAL EXTERNAL DRIVING MIRRORS - OPTIONAL (87442835) (PIN HHD000243 AND AFTER) (10) - Cab/Cowlings
3
16
15
14
15
14
9
13
9
10
15
17
4
16
8
6
11
7
8
14
15
17
17
3
16
15
1
15
5
16
17
19
12
14
15
4
18
2
15
13
FIT
1:1
100%

Артикул

Название

Примечание

Количество

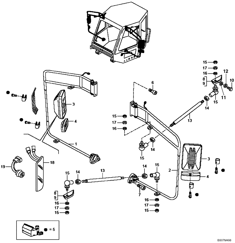
1

8900195484

BRACKET

1шт.

Right

1шт.

2

8900195483

BRACKET

1шт.

Left

1шт.

3

8900116836

REAR VIEW MIRROR

2шт.

4

8900116838

REAR VIEW MIRROR

1шт.

5

8900116878

KIT

1шт.

6

8916690577

BOLT,M8 x 20mm

M8 x 20; Replaces 8900127352 Bolt

6шт.

7

8900127353

BOLT

M6 x 20

4шт.

8

89500400417

BRACKET

2шт.

9

89500400418

BRACKET

2шт.

10

8900119056

SCREW

M6 x 16; Replaces 8916603777 Bolt M6 x 20 Used On Some Models

8шт.

11

8917094677

WASHER

If Used

8шт.

12

8900955275

LOCK WASHER

If Used

8шт.

13

89500400454

TIE-ROD

4шт.

14

8900113178

NUT

M8

8шт.

15

8900102023

BALL JOINT

Replaces 8900178860 Head

8шт.

16

8900002084

WASHER

8шт.

17

8900956220

LOCK WASHER

8шт.

18

8993190976

GLASS

If Used

2шт.

19

8993190972

CONTROL

If Used

2шт.

Выбрано товаров: 21