Запчасти Case 330 (30A00020607[02]) - FRONT AXLE - COMPONENTS (11) - AXLES/WHEELS

Схема запчастей Case 330 - (30A00020607[02]) - FRONT AXLE - COMPONENTS (11) - AXLES/WHEELS
3
7
1
8
6
5
9
2
4
12
10
11
FIT
1:1
100%

Артикул

Название

Примечание

Количество

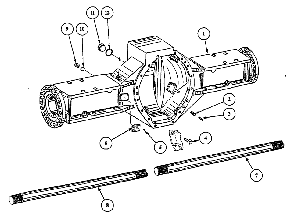
1

8900130358

BOX

1шт.

2

8963100158

GUIDE PIN

3шт.

3

8963100159

GUIDE PIN

3шт.

4

8963100160

SCREW

16шт.

5

NSS

NOT SOLD SEPARAT

4шт.

6

NSS

NOT SOLD SEPARAT

1шт.

7

8900130360

SHAFT

1шт.

Right

1шт.

8

8900130359

SHAFT

1шт.

Left

1шт.

9

933799R1

PLUG,Hex Soc, M24 x 1.5

1шт.

10

8603200

SEALING RING

1шт.

11

8963100169

PLUG

M42 x 1.5

1шт.

12

8963100170

SEALING RING

1шт.

Выбрано товаров: 14