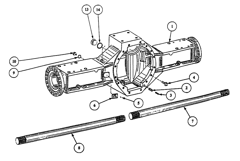
Запчасти Case 330 (32A00020583[02]) - INTERMEDIATE AXLE - HOUSING (11) - AXLES/WHEELS

Схема запчастей Case 330 - (32A00020583[02]) - INTERMEDIATE AXLE - HOUSING (11) - AXLES/WHEELS
9
4
7
6
1
14
10
5
2
8
13
3
FIT
1:1
100%

Артикул

Название

Примечание

Количество

1

8900130367

AXLE HOUSING

1шт.

2

8963100173

GUIDE PIN

3шт.

3

8963100174

GUIDE PIN

3шт.

4

8963100160

SCREW

16шт.

5

NSS

NOT SOLD SEPARAT

4шт.

6

NSS

NOT SOLD SEPARAT

1шт.

7

8900130368

SHAFT

1шт.

Left

1шт.

8

8900130369

SHAFT

1шт.

Right

1шт.

9

8603200

SEALING RING

1шт.

10

933799R1

PLUG,Hex Soc, M24 x 1.5

1шт.

13

8963100169

PLUG

1шт.

14

8963100170

SEALING RING

1шт.

Выбрано товаров: 14