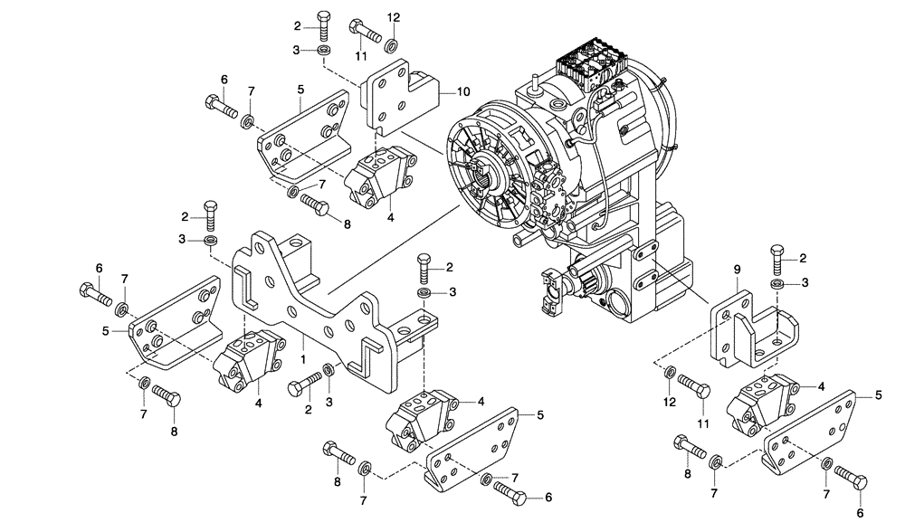
Запчасти Case 330 (18A00010642[02]) - TRANSMISSION - MOUNTING - RETARDER OPTION (03) - Converter / Transmission

Схема запчастей Case 330 - (18A00010642[02]) - TRANSMISSION - MOUNTING - RETARDER OPTION (03) - Converter / Transmission
6
2
4
4
6
11
7
12
6
3
8
10
3
5
8
4
6
8
8
7
5
3
3
2
5
4
7
7
5
1
2
7
12
7
2
2
7
7
3
11
9
FIT
1:1
100%

Артикул

Название

Примечание

Количество

1

89500409580

BRACKET

1шт.

2

8900103209

BOLT

M16 x 1.5 x 45

14шт.

3

8900110597

WASHER

16 x 4.2 x 32

14шт.

4

8900167070

SILENTBLOC

4шт.

5

89500402990

SUPPORT

4шт.

6

8900104172

BOLT

M14 x 80

16шт.

7

8900141457

COLLAR

14 x 3.8 x 30

32шт.

8

8900135847

BOLT

M14 x 30

16шт.

9

89500409539

BRACKET

Rear LH

1шт.

10

89500409540

BRACKET

Rear RH

1шт.

11

8900116041

BOLT

M20 x 50

8шт.

12

8900140505

COLLAR

14 x 3.8 x 27

8шт.

Выбрано товаров: 12