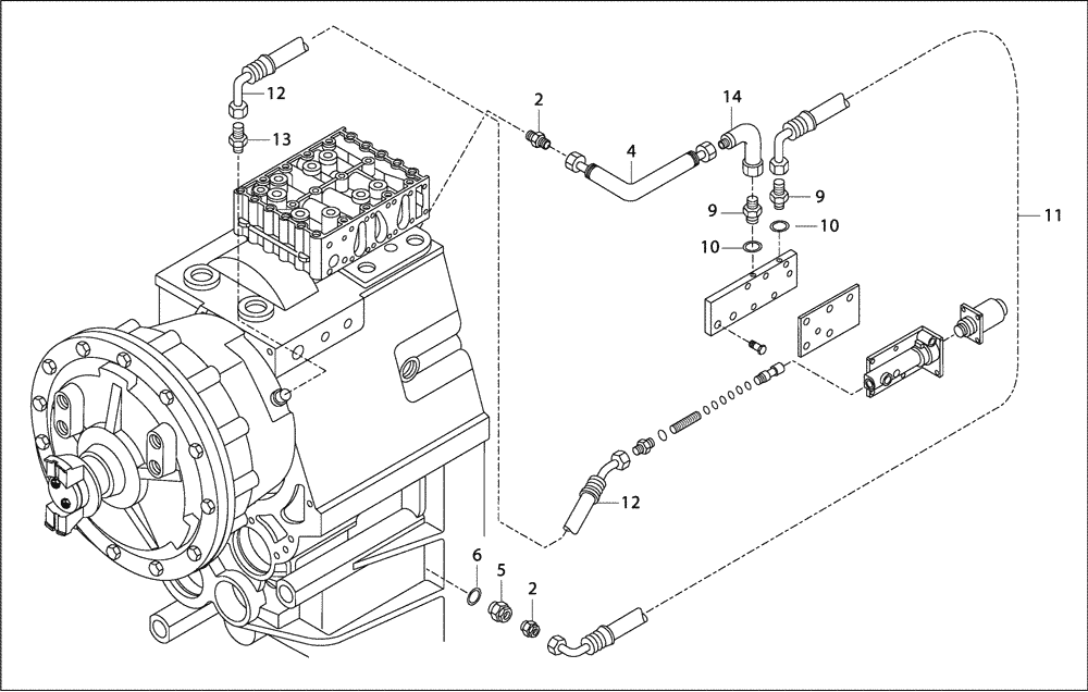
Запчасти Case 330B (18A00000983[001]) - GEARBOX PIPING (87450719) (03) - Converter / Transmission

Схема запчастей Case 330B - (18A00000983[001]) - GEARBOX PIPING (87450719) (03) - Converter / Transmission
11
2
5
2
13
14
10
12
4
9
9
10
12
6
FIT
1:1
100%

Артикул

Название

Примечание

Количество

2

8900130615

HYD CONNECTOR

2шт.

4

8900130617

FLEXIBLE HOSE

1шт.

5

8900126998

ADAPTER

1шт.

6

8963100345

SEALING RING

1шт.

9

8900126999

HYD CONNECTOR

2шт.

10

8900127000

SEALING RING

2шт.

11

8900130616

FLEXIBLE HOSE

1шт.

12

8900130495

FLEXIBLE HOSE

1шт.

13

87452757

HYD CONNECTOR

1шт.

14

8900130618

HYD CONNECTOR

1шт.

Выбрано товаров: 10