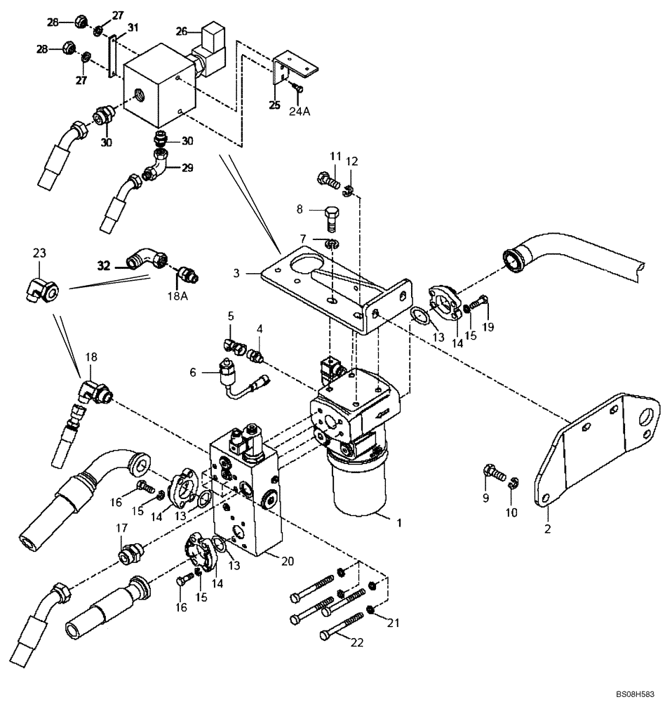
Запчасти Case 330B (43A00000855[001]) - FILTER, STEERING (87557410) (09) - Implement / Hydraulics / Frame / Brakes

Схема запчастей Case 330B - (43A00000855[001]) - FILTER, STEERING (87557410) (09) - Implement / Hydraulics / Frame / Brakes
9
1
17
27
14
19
32
14
29
16
13
16
12
21
15
26
14
2
13
6
23
18a
28
18
24a
20
10
22
3
4
15
8
30
30
5
15
31
28
27
11
13
7
25
FIT
1:1
100%

Артикул

Название

Примечание

Количество

1

8998341421

FILTER ASSY

Replaces NSS 8900134880 Filter Assy Shown On Fig. 43K00000007

1шт.

2

89500415377

PLATE

1шт.

3

89500415376

SUPPORT

1шт.

4

89500407467

CONNECTION

1шт.

5

89500409343

HYD CONNECTOR

2шт.

6

89500409101

SWITCH

1шт.

7

8900140473

WASHER

1шт.

8

8916629734

BOLT,M12 x 25mm

M20 x 25

4шт.

9

8900116825

BOLT

M16 x 40

4шт.

10

8900110597

WASHER

2шт.

11

8900135045

SCREW,M14 x 40mm

M14 x 40

4шт.

12

8916984535

NUT

2шт.

13

8917289480

O-RING

SEALRING

3шт.

14

8900191133

FLANGE

6шт.

15

8900001049

LOCK WASHER

12шт.

16

8900125707

BOLT,M10 x 30mm

M10 x 30

8шт.

17

89500406117

HYD CONNECTOR

1шт.

18

89500413880

HYD CONNECTOR

ELBOW; If Used

1шт.

18a

89500408432

HYD CONNECTOR

STRAIGHT; If Used Ref Item 23

1шт.

19

8900125707

BOLT,M10 x 30mm

M10 x 30

4шт.

20

8998340959

VALVE

VALVE ASSY; Replaces NSS 8900134883 Valve Assy Shown On Figure(s) 43N00000002

1шт.

21

8900134881

COLLAR

4шт.

22

8900134882

SCREW,M10 x 90mm

4шт.

23

89500406108

CONNECTION

ELBOW; If Used Ref Item 18A

1шт.

24

89500417746

FILTER ASSY

VALVE ASSY; See Separate Pages For Serviceable Items - If Used

1шт.

Include(s) 1, 20, 21, 22

1шт.

24a

8900158401

BOLT,M8 x 90mm

M8 x 90; If Used

2шт.

25

89500426103

BRACKET

If Used

1шт.

26

89500426075

VALVE PRESSURE RELIE

If Used

1шт.

27

8900140506

WASHER

If Used

2шт.

28

8900115122

NUT

S.L.; If Used

2шт.

29

89500408212

ELBOW

If Used

1шт.

30

89500407730

CONNECTION

If Used

1шт.

31

89500428187

PLATE

If Used

1шт.

32

89500406108

CONNECTION

Elbow; If Used

1шт.

Выбрано товаров: 35