Запчасти Case 330B (43A01000935[001]) - PUMP / STEERING LINES (P.I.N. HHD0330BN7PG57000 AND AFTER) (84158445) (09) - Implement / Hydraulics / Frame / Brakes

Схема запчастей Case 330B - (43A01000935[001]) - PUMP / STEERING LINES (P.I.N. HHD0330BN7PG57000 AND AFTER) (84158445) (09) - Implement / Hydraulics / Frame / Brakes
26
19
23
1
15
17
4
21
6
14
5
9
16
20
24
16
1
15
11
18
25
6
17
2
13
7
3
5
12
22
8
5
27
43a00000937
5
10
7
14
FIT
1:1
100%

Артикул

Название

Примечание

Количество

REF

INSTRUCTION

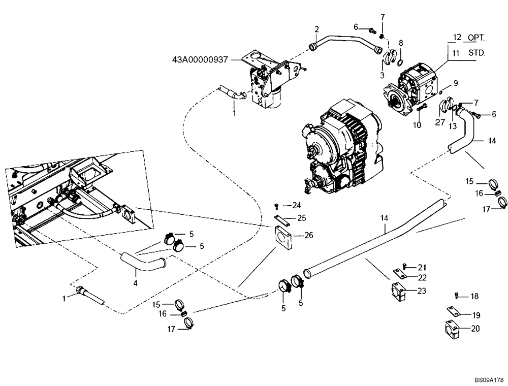
Steering lines And Hydraulic Pump (84158445)

1шт.

1

89500417339

HOSE ASSY.

1шт.

2

89500433065

HYD TUBE,32 mm ID x 42 mm OD x 531.8, 357.6 mm L

1шт.

3

8900191135

FLANGE

Split

2шт.

4

89500434184

HOSE,76.19 mm ID x 1800.00 mm, SAE 100R4

1шт.

5

8900125076

HOSE CLIP

4шт.

6

8900003227

BOLT,M12 x 1.75 x 40mm

M12 x 1.75 x 40

8шт.

7

8900040256

COLLAR

8шт.

8

8900125073

SEALING RING

SEALRING

1шт.

9

89500400134

GASKET

1шт.

10

8900135046

SCREW,M14 x 35mm

M14 x 35

4шт.

11

89500409411

HYDRAULIC PUMP

Std; If Used

1шт.

12

89500429135

HYDRAULIC PUMP,122.86 CC

Opt; If Used

1шт.

13

89500400134

GASKET

1шт.

14

89500433962

HYD TUBE

1шт.

15

8918089094

CLAMP

3шт.

16

8900191758

CUSHION

3шт.

17

8918088694

CLAMP

3шт.

18

8916592124

BOLT

M6 x 60

2шт.

19

89500407426

PLATE

1шт.

20

8900194914

CLAMP BRACKET

2шт.

21

89500434138

BOLT

M6 x 100

2шт.

22

89500429334

PLATE

1шт.

23

89500434147

COLLAR CLAMP

2шт.

24

89500434168

BOLT

M6 x 125

2шт.

25

89500429039

COLLAR CLAMP

2шт.

26

89500429075

PLATE

1шт.

27

8900176244

HALF-FLANGE

If Used

2шт.

Выбрано товаров: 28