Запчасти Case 330B (67A00002110[001]) - COMPONENTS, ELECTRICAL - POWER SOCKET (P.I.N. HHD0327BN7PG57000 AND AFTER) (84216525) (13) - Electrical System / Decals

Схема запчастей Case 330B - (67A00002110[001]) - COMPONENTS, ELECTRICAL - POWER SOCKET (P.I.N. HHD0327BN7PG57000 AND AFTER) (84216525) (13) - Electrical System / Decals
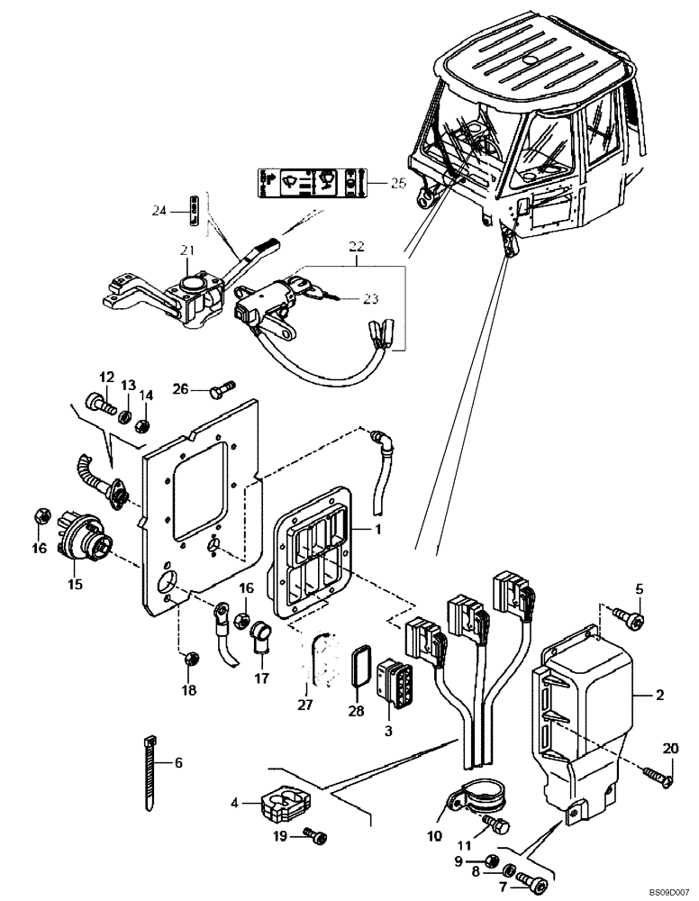
27
2
7
26
5
8
3
15
21
10
25
17
23
12
19
11
28
1
4
6
16
22
18
24
13
20
16
14
9
FIT
1:1
100%

Артикул

Название

Примечание

Количество

REF

INSTRUCTION

Components, Electrical (84216525)

1шт.

1

89504002684

PLATE

1шт.

2

89500363406

COVER

1шт.

3

89500373567

PLUG

1шт.

4

89504077459

BRACKET

1шт.

5

8900109848

BOLT,M6 x 30mm

M6 x 30

2шт.

6

8900045763

STRAP

20шт.

7

8900108856

BOLT

M6 x 50

2шт.

8

8900002738

WASHER

Flat

2шт.

9

8900125010

FLANGE NUT

Flange

2шт.

10

8900163658

COLLAR

Strap Band

3шт.

11

8900115555

BOLT,M8 x 30mm

M8 x 30

1шт.

12

8900125013

SCREW,M3 x 16mm

M3 x 16

2шт.

13

8900127601

LOCK WASHER

2шт.

14

8900009278

NUT

2шт.

15

8900124540

POWER SOCKET

1шт.

16

8900115122

NUT

2шт.

17

8900142325

PROTECTION CAP

1шт.

18

8900125009

NUT

5шт.

19

8916585324

BOLT,M5 x 20mm

M5 x 20

2шт.

20

8900182674

SCREW,M6 x 20mm

M6 x 20

6шт.

21

8900124528

SWITCH

Combination; Incl. NSS Wire Leads for Horn Button, Wiper Switch, High Beam Light Switch, and Cluster Scrolling Controls

1шт.

22

8998491189

SWITCH

1шт.

23

8900120120

IGNITION KEY

1шт.

24

89500409054

LABEL

Operation

1шт.

25

89500409055

LABEL

Operation

1шт.

26

8900121098

BOLT,M8 x 16mm

M8 x 16

2шт.

27

8941223308

HOUSING

HOUSING

1шт.

28

89001237577

GROMMET

GROMMET

2шт.

Выбрано товаров: 29