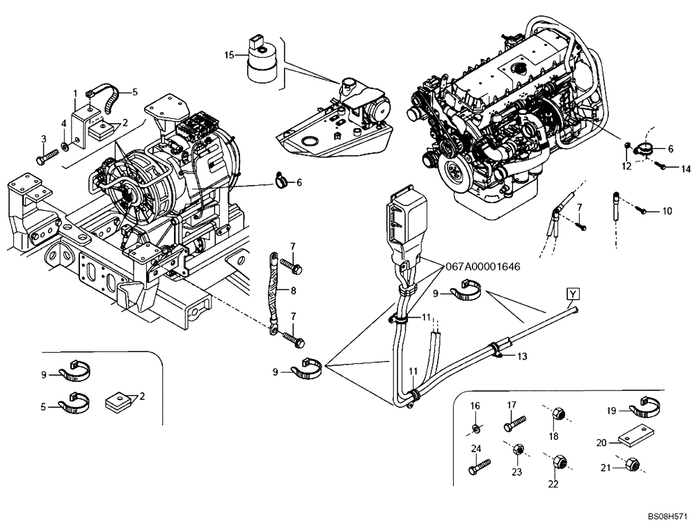
Запчасти Case 330B (67A00021773[001]) - ELECTRICAL GROUND & CLAMPING (84127901) (13) - Electrical System / Decals

Схема запчастей Case 330B - (67A00021773[001]) - ELECTRICAL GROUND & CLAMPING (84127901) (13) - Electrical System / Decals
7
13
6
22
14
18
1
23
9
067a00001646
20
16
9
5
17
24
11
4
3
11
2
12
6
8
9
7
5
19
2
15
14
21
7
FIT
1:1
100%

Артикул

Название

Примечание

Количество

1

8900174917

SUPPORT

3шт.

2

8900150391

PAD

6шт.

3

8900006132

BOLT,M16 x 1.5 x 35mm

M16 x 1.5 x 35

3шт.

4

8900002078

LOCK WASHER

3шт.

5

8900150511

COLLAR

1шт.

6

8900049243

COLLAR

2шт.

7

8900121586

SCREW,M12 x 25mm

M12 x 25

2шт.

8

8900189059

CABLE

1шт.

9

8900045763

STRAP

1шт.

10

8900121098

BOLT,M8 x 16mm

M8 x 16

11шт.

11

8900102937

COLLAR

2шт.

12

8900115122

NUT

S.L.

1шт.

13

8900106732

COLLAR

1шт.

14

8900115555

BOLT,M8 x 30mm

M8 x 30

1шт.

15

89500411620

INDICATOR

Air Cleaner Restriction

1шт.

16

89500407418

GASKET

4шт.

17

8900012143

BOLT,M6 x 55mm

M6 x 55

4шт.

18

8900118202

NUT

1шт.

19

8900163658

COLLAR

10шт.

20

89500407425

PLATE

2шт.

21

8900108842

NUT

4шт.

22

8900140777

NUT

2шт.

23

8900049208

NUT

2шт.

24

8900125022

SCREW,M5 x 10mm

8шт.

Выбрано товаров: 24